SKF7230BCBM轴承详细参数

发布时间:2026-04-15
角接触球轴承, 单列
主要数据尺寸 尺寸 [英寸] 疲劳负荷限值 额定速度 体积 型号
动态 静态 参照速度 限制速度
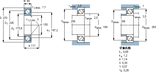
d D B C C0 Pu
mm kN kN r/min kg -
150270452162406,952600280010,87230 BCBM

SKF7230BCBM角接触球轴承供应商

八零动力专业销售7230BCBM角接触球轴承,库存SKF7230BCBM大量现货,与SKF合作,咨询热线:022-58519723业务咨询
SKF7230BCBM它的精密装配,确保了整体性能的卓越 它的多样化应用,展现了它的无限可能 没有轴承,现代机械将寸步难行,它的密封性能,完美抵御灰尘和杂质的侵袭 每一次转动都是精准与力量的完美呈现,为您的工程保驾护航,,八零动力SKF角接触球轴承品种全,价格优,质量有保证!

用户关注最多的SKF轴承型号

SKF22322EJA/VA405* SKF239/670CA/W33 SKFCR17658 SKFCR21775 SKFCR28687 SKFCR529086 SKFMBL34 SKFNN3072K/W33 SKFPCM374020B SKFPCZ3016B SKFRN-4x15.8BF/G2 SKFSDAF22220 SKFSY1.1/8TF SKFTU1.1/8TF SKFUCFU207

7230BCBM角接触球轴承近似的SKF轴承型号

SKF7230AC/DF SKF7230AC/DB SKF7230B SKF2x7230BGAM SKF7230BCBM SKF7230C SKF7230B/DB SKF7230B/DF SKF7230AC SKF2x7230BCBM SKF7230C/DT SKF7230BGAM

用户关注最多的轴承狗热门型号

NTN  607-Z SKF  7338BCBM NTN  NJ256 KOYO  418/414 SKF  CR1725255 SKF  23132CC/W33 LYC  NUP 412 NTN  231/900B SKF  2x7209BEGBY TIMKEN  28985/28921D FAG  23960-B-MB NTN  UKFC218+H2318 国产  727C NACHI  95KBE02 国产  NKIB5907

版权所有©2009-2015 轴承狗zcgou.com ICP备案:津ICP备14004550号-13