SKF2x7230BGAM轴承详细参数

发布时间:2026-05-29
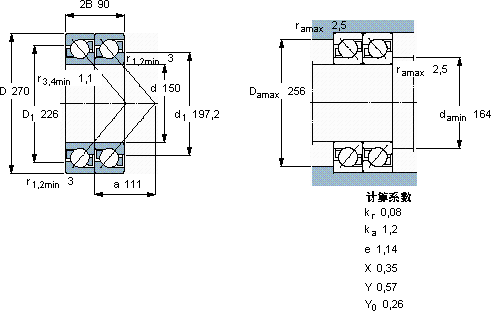
角接触球轴承, 单列,用于配对安装, 前后配对
主要数据尺寸 基本负荷额定值 疲劳负荷限值 额定速度 体积 型号 轴承配对
动态 静态 参照速度 限制速度
d D 2B C C0 Pu
mm kN kN r/min kg --
1502709035048013,92000280021,62 × 7230 BGAMDT

SKF2x7230BGAM角接触球轴承供应商

八零动力专业销售2x7230BGAM角接触球轴承,库存SKF2x7230BGAM大量现货,与SKF合作,咨询热线:022-58519723业务咨询
SKF2x7230BGAM它的静音设计,让机械运转如丝般顺滑 高精度的轴承,为设备的稳定运行提供了坚实保障设计合理、性能优良的它,是机械设备稳定运行的重要保障先进的制造技术和严格的质量检测,造就了这款优质轴承它的耐磨性能,让它在恶劣环境下依然稳定运行 运转起来如此顺滑,这款轴承的制造工艺着实令人赞叹,八零动力SKF角接触球轴承品种全,价格优,质量有保证!

用户关注最多的SKF轴承型号

SKF2211EKTN9+H311 SKF24020CC/W33* SKF61968 SKFBA2B311631 SKFBT4-0015G/HA1C400VA903 SKFBTM120A/HCP4CDBA SKFCR13548 SKFCR58X80X12HMS5RG SKFFYC20TF SKFHMV180E SKFNN3038K/W33 SKFPFT1.1/4TR SKFS7006ACD/HCP4A SKFSY25TF SKFYEL204-2F

2x7230BGAM角接触球轴承近似的SKF轴承型号

SKF7230C/DB SKF7230C/DT SKF7230B/DF SKF7230B/DT SKF2x7230BGAM SKF7230B/DB SKF7230BCBM SKF7230AC/DB SKF7230AC SKF7230AC/DF SKF2x7230BCBM SKF2x7232BCBM

用户关注最多的轴承狗热门型号

INA  ABE.KWE35-FE-FPM SKF  CR13538 LYC  71437/71751 D NTN  71909C/DB SKF  OKC310 KOYO  89FC66324 FAG  SNV150-L + 20217-MB + DH217 FAG  SNV100-L + 22211-E1-K + H311X114 + TCV511X114 KOYO  51124 INA  SCE2424-PP GMN  71910C/DF SKF  22216CCK/W33+H316 NACHI  6232ZZ NSK  UCF203D1 SKF  7210ACD/HCP4A

版权所有©2009-2015 轴承狗zcgou.com ICP备案:津ICP备14004550号-13