SKF7228BM轴承详细参数

发布时间:2026-04-14
角接触球轴承, 单列
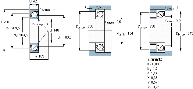
主要数据尺寸 尺寸 [英寸] 疲劳负荷限值 额定速度 体积 型号
动态 静态 参照速度 限制速度
d D B C C0 Pu
mm kN kN r/min kg -
140250421992126,4280030008,837228 BM

SKF7228BM角接触球轴承供应商

八零动力专业销售7228BM角接触球轴承,库存SKF7228BM大量现货,与SKF合作,咨询热线:022-58519723业务咨询
SKF7228BM它的微观表面处理,减少了摩擦和磨损 这轴承的设计精妙,充分考虑了各种实际应用需求机械的心脏轴承的选材精良,确保了其具有良好的耐磨性和抗腐蚀性它在包装机械中的应用,确保了设备的高效率 优秀的设计让这款轴承在运行时更加高效节能,八零动力SKF角接触球轴承品种全,价格优,质量有保证!

用户关注最多的SKF轴承型号

SKF1212ETN9/W64 SKF22248CCK/W33+H3148 SKF23080CAC/W33 SKF61901-2RS1 SKF6312N* SKF6013-RS SKF7202BEP SKF71932ACD/P4A SKF7314B/DB SKFCR11150 SKFCR2200558 SKFNUP321E SKFRNU205ECP* SKFSIL17C SKFVJ-PDNB306

7228BM角接触球轴承近似的SKF轴承型号

SKF7228C/DB SKF7228B SKF7228AC/DB SKF7228C SKF7228B/DF SKF7228C/DF SKF7228BM SKF7228AC SKF7228BM SKF7228BCBM SKF7228BCBM SKF7230AC

用户关注最多的轴承狗热门型号

NSK  N1028BMR1KR KOYO  NU219R -  7306AC KOYO  3210A-Z NSK  HR32221J RHP  7244B/DT INA  SL182960 NACHI  NU313E SKF  CR594954 ZKL  7240B/DF SKF  CR45X65X8HMS5V SKF  CR364.8x400x17HDS1R TORRINGTON  22340CCK/W33 FAG  SNV140-L + 2313-K-TVH-C3 + H2313 + TCV613 SKF  320/28

版权所有©2009-2015 轴承狗zcgou.com ICP备案:津ICP备14004550号-13