SKF7228BCBM轴承详细参数

发布时间:2026-04-15
角接触球轴承, 单列
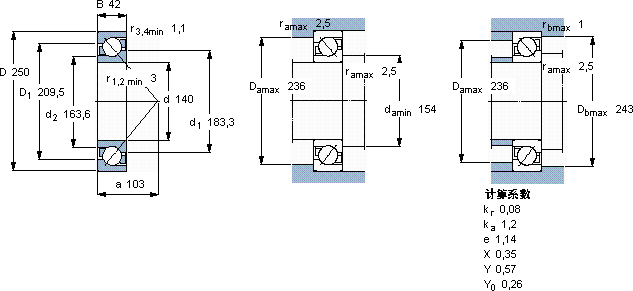
主要数据尺寸 尺寸 [英寸] 疲劳负荷限值 额定速度 体积 型号
动态 静态 参照速度 限制速度
d D B C C0 Pu
mm kN kN r/min kg -
140250421992126,4280030008,837228 BCBM

SKF7228BCBM角接触球轴承供应商

八零动力专业销售7228BCBM角接触球轴承,库存SKF7228BCBM大量现货,与SKF合作,咨询热线:022-58519723业务咨询
SKF7228BCBM它的耐用性,赢得了无数用户的信赖 是您机械世界里的不败功臣,给您意想不到的顺畅体验,每一次旋转,都是品质的见证,轴承的耐用性强,减少了设备的停机维护时间它的圆度误差几乎可以忽略不计 ,八零动力SKF角接触球轴承品种全,价格优,质量有保证!

用户关注最多的SKF轴承型号

SKF1322 SKF23032CCK/W33+H3032* SKF330903A SKF718/530AC/VQ074 SKF7312BEY SKFCR12355 SKFCR20X38X7HMSA10RG SKFFSYE3.H SKFFYRP2.3/4H-3 SKFNAO12x24x13 SKFNU2317ECJ* SKFNU2320ECJ* SKFNUP2317ECP SKFSYNT55FTF SKFTVN204WA

7228BCBM角接触球轴承近似的SKF轴承型号

SKF7228B/DT SKF2x7228BCBM SKF7228C/DB SKF7228BCBM SKF7228C/DT SKF7228AC/DB SKF7228AC SKF7228BCBM SKF7228AC/DT SKF7228B/DF SKF7228C/DT SKF7228BM

用户关注最多的轴承狗热门型号

SKF  GE140ES-2LS MRC  6313-ZN KOYO  7314B SKF  AS0922 SKF  NNCL4912CV 国产  16010X2 NTN  7928DT RHP  51201 INA  PCJT17 INA  WS89452 NACHI  7015DT FAG  230SM420-MA INA  AV14032 SKF  5304A* 国产  32934

版权所有©2009-2015 轴承狗zcgou.com ICP备案:津ICP备14004550号-13