
SKF71904CE/HCP4A轴承详细参数
发布时间:2026-04-15
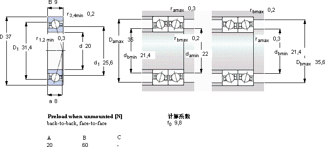
| | | | | | | | | | | |
| 角接触球轴承, 精密, CE/HC, contact angle 15°, hybrid | |
 |
| 主要数据尺寸 | 基本负荷额定值 | 疲劳负荷限值 | 可达到的速度 | 体积 | 型号 |
| | 动态 | 静态 | | 当润滑与 | | SKF | SNFA |
| | | 油脂 | 滴油润滑 | | Listing of both SKF and SNFA designations means that |
| d | D | B | C | C0 | Pu | |
 |
| mm | kN | kN | r/min | kg | - | |
 |
| 20 | 37 | 9 | 4,68 | 2,12 | 0,09 | 63000 | 95000 | 0,032 | 71904 CE/HCP4A | - |
SKF71904CE/HCP4A高精密角接触球轴承P4级供应商
- 八零动力专业销售71904CE/HCP4A高精密角接触球轴承P4级,库存SKF71904CE/HCP4A大量现货,与SKF合作,咨询热线:022-58519723

- SKF71904CE/HCP4A轴承的选材优质,确保了其在各种环境下都能稳定工作转动世界的精密之选,它的抗冲击性能,让它经得起各种考验 您值得拥有它在电子设备中的应用,展现了它的高精密性 这款轴承的精度极高,能够满足对精度要求苛刻的设备,八零动力SKF高精密角接触球轴承P4级品种全,价格优,质量有保证!
用户关注最多的SKF轴承型号
SKF2213E-2RS1KTN9
SKF249/950CA/W33
SKF32024X/DF
SKF6015-2Z*
SKF6208NR*
SKF7207ACD/HCP4A
SKFBC4B457929VCA
SKFKD2-353
SKFMB38
SKFNJ2332ECMA
SKFNK18/20
SKFNU30/600ECMA/HA1
SKFPCM150155100M
SKFSYE1.3/4NH
SKFTVN308WA