SKF7072AM轴承详细参数

发布时间:2026-04-14
角接触球轴承, 单列
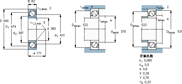
主要数据尺寸 尺寸 [英寸] 疲劳负荷限值 额定速度 体积 型号
动态 静态 参照速度 限制速度
d D B C C0 Pu
mm kN kN r/min kg -
36054082520950191300130062,57072 AM

SKF7072AM角接触球轴承供应商

八零动力专业销售7072AM角接触球轴承,库存SKF7072AM大量现货,与SKF合作,咨询热线:022-58519723业务咨询
SKF7072AM它的抗冲击性能,让它经得起各种考验 卓越的设计和可靠的性能,是这款轴承的两大亮点先进的制造技术,让这款轴承的质量达到了行业领先水平它的密封性能,减少了润滑剂的泄漏 其设计和制造都达到了极高的水准,是一款不可多得的轴承为您创造更多可能,,八零动力SKF角接触球轴承品种全,价格优,质量有保证!

用户关注最多的SKF轴承型号

SKF4307ATN9 SKF5209A-2Z* SKF6302/HR11QN SKF7007CE/P4A SKF7220AC/DF SKFAOH3044G SKFBTM80B/HCP4CDBA SKFC2314K+H2314* SKFCR110X140X12HMS5V SKFCR41185 SKFCR960X1020X25HDS2D1 SKFJHM720249/210/Q SKFNUP311ECP* SKFPFD1.3/8RM SKFSY1.1/4FM

7072AM角接触球轴承近似的SKF轴承型号

SKF7072BGM SKF2x7072AGM SKF2x7072BGM SKF7072AM SKF7072AGM SKF7072AGM SKF7072BGM

用户关注最多的轴承狗热门型号

FAG  AH240/710-H LYC  381096/P69 NTN  32322 SNR  7332AC/DF DKF  7221AC SKF  CR590270 LYC  RNU 210 M SKF  71915C/DB SKF  NCF3038CV NSK  75BER20SV1V KOYO  32911 NSK  7304BWG INA  GYE20-KRR-B-VA SKF  33115 IKO  CF10-1VBM

版权所有©2009-2015 轴承狗zcgou.com ICP备案:津ICP备14004550号-13