SKF2x7072AGM轴承详细参数

发布时间:2026-05-30
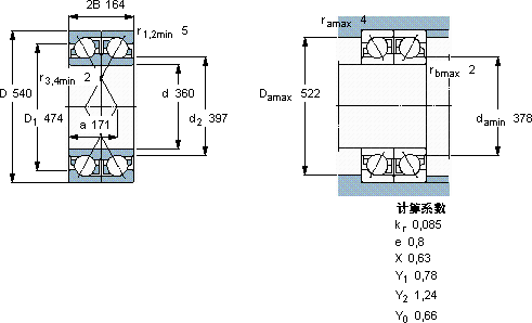
角接触球轴承, 单列,用于配对安装, 面对面配对
主要数据尺寸 基本负荷额定值 疲劳负荷限值 额定速度 体积 型号 轴承配对
动态 静态 参照速度 限制速度
d D 2B C C0 Pu
mm kN kN r/min kg --
360540164842190038100013001252 × 7072 AGMDF

SKF2x7072AGM角接触球轴承供应商

八零动力专业销售2x7072AGM角接触球轴承,库存SKF2x7072AGM大量现货,与SKF合作,咨询热线:022-58519723业务咨询
SKF2x7072AGM它的可回收性,减少了废弃物处理成本 它的质量卓越,为机械设备的安全运行保驾护航它的几何精度,让机械运转分毫不差 它的密封性能,完美抵御灰尘和杂质的侵袭 它在印刷机械中的应用,展现了它的高精度 卓越的性能和可靠的质量,让这款轴承成为市场的宠儿,八零动力SKF角接触球轴承品种全,价格优,质量有保证!

用户关注最多的SKF轴承型号

SKF16004/HR11QN SKF2205E-2RS1KTN9+H305C SKF2x7311BEGAY SKF313811 SKF628/8-2RS1 SKF7208BECBJ SKFBC2B326137/HB2VJ202 SKFC2224* SKFIR40x48x40 SKFM65x2 SKFNNU4092KM/W33 SKFNUP211ECP SKFOKC900 SKFPFT35FM SKFYAR212-207-2FW/VA201

2x7072AGM角接触球轴承近似的SKF轴承型号

SKF7072AGM SKF2x7072AGM SKF7072BGM SKF7072AM SKF2x7072BGM SKF2x7068BGM SKF2x7072BGM

用户关注最多的轴承狗热门型号

KOYO  NJ2311+HJ2311 NTN  NJ2228 NTN  32314 SKF  CR4050776 KOYO  R45/13 SKF  W619/8 LYC  30210/P6A NTN  22224BK+H3124X SKF  VJ-PDNB313 LYC  110.25.574.03/P5 BARDEN  7224AC/DF NSK  6812N SKF  618/1250MB GMN  7013AC/DB SKF  3306A-2Z/MT33*

版权所有©2009-2015 轴承狗zcgou.com ICP备案:津ICP备14004550号-13