SKF635-RZ*轴承详细参数

发布时间:2026-05-30
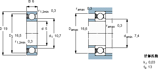
深沟球轴承, 单列, 单面密封件
主要数据尺寸 基本负荷额定值 疲劳负荷限值 额定速度 体积 型号
动态 静态 参照速度 限制速度
d D B C C0 Pu * - SKF Explorer 轴承
mm kN kN r/min kg -
51962,340,950,0480000500000,0090635-RZ *

SKF635-RZ*深沟球轴承供应商

八零动力专业销售635-RZ*深沟球轴承,库存SKF635-RZ*大量现货,与SKF合作,咨询热线:022-58519723业务咨询
SKF635-RZ*性能卓越的它,为机械设备的稳定运行提供了可靠保障不得不说,这款轴承的品质过硬,在行业内堪称典范,它的加工设备,代表了世界领先水平 您值得拥有设计独特的轴承,不仅性能优越,还具有很高的性价比它在机床设备中的应用,确保了加工精度 ,八零动力SKF深沟球轴承品种全,价格优,质量有保证!

用户关注最多的SKF轴承型号

SKF2211K SKF22320EKJA/VA405* SKF23038CC/W33* SKF3206A-2Z SKF5216E SKFBDAB351903 SKFBT4B331346A/HA1 SKFCR14940 SKFCR23277 SKFCR82524 SKFFYJ1.TF SKFNU214ECJ* SKFPWKRE40.2RS SKFS71914ACD/P4A SKFSYNT100LTS

635-RZ*深沟球轴承近似的SKF轴承型号

SKF635-2RZ* SKFW635 SKF635-2Z* SKF6352M SKFW635-2Z SKF635* SKF6356M SKF635-RS1* SKFE2.635-2Z/C3 SKF635-Z* SKF635-RS1* SKF635-Z*

用户关注最多的轴承狗热门型号

INA  SCE910-PP NTN  22260CAC/W33 LYC  3*29.8 FAG  SNV110-L + 21310-E1-K + H310X110 + FSV610X110 KOYO  60FC40300A BARDEN  71919C SKF  CR20044 SKF  BT4B332671/HA1 SKF  CR60X110X8HMSA10RG NACHI  23036EW33K SKF  NU221E NTN  UKFC207+H2307 NTN  NN3032K FAG  SNV230-L + 20226-K-MB-C3 + H3026 + DH526 FAG  SNV130-L + 22215-E1-K + H315X210 + DHV515X210

版权所有©2009-2015 轴承狗zcgou.com ICP备案:津ICP备14004550号-13