SKF6352M轴承详细参数

发布时间:2026-04-14
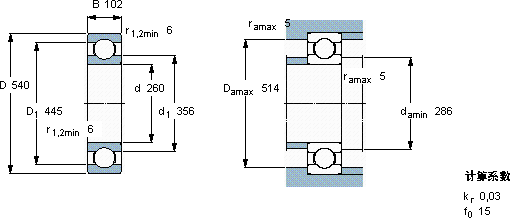
深沟球轴承, 单列, 无密封件
主要数据尺寸 基本负荷额定值 疲劳负荷限值 额定速度 体积 型号
动态 静态 参照速度 限制速度
d D B C C0 Pu
mm kN kN r/min kg -
26054010250771015240022001156352 M

SKF6352M深沟球轴承供应商

八零动力专业销售6352M深沟球轴承,库存SKF6352M大量现货,与SKF合作,咨询热线:022-58519723业务咨询
SKF6352M成就非凡转动体验让您的设备一顺到底,它的制造工艺,堪称工业艺术的典范 高精度的制造工艺,让这款轴承的性能更加出色坚固耐用它在印刷机械中的应用,展现了它的高精度 承载未来,八零动力SKF深沟球轴承品种全,价格优,质量有保证!

用户关注最多的SKF轴承型号

SKF230/1000CAKF/W33 SKF23136CCK/W33+AH3136G* SKF6248 SKF7017CE/HCP4A SKF811/630M SKFAOH3264G SKFCR17310 SKFCR370x420x25HDS1R SKFCR4950 SKFNJ2214ECM* SKFNKI75/35 SKFOKC170 SKFSAF22624x4.1/16 SKFSIQG20ES SKFWS81108

6352M深沟球轴承近似的SKF轴承型号

SKF6352M SKF635043 SKF6356M

用户关注最多的轴承狗热门型号

SKF  7213CD/P4A LYC  LY-3042K4 FAG  SNV140-L + 20313-K-MB-C3 + H313X203 + DHV613X203 TIMKEN  93801D/93126 INA  NKI80/25 SKF  NNU6944V LYC  6304 EX1 NSK  NUP406W 国产  6313-2RS/Z3 国产  KR40X LYC  NN 3032 K/P4 MRC  7315C/DT SKF  HMV170E INA  GWA12 SKF  BK0609

版权所有©2009-2015 轴承狗zcgou.com ICP备案:津ICP备14004550号-13