SKF6318-RS1*轴承详细参数

发布时间:2026-04-14
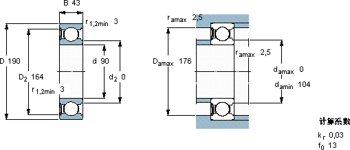
深沟球轴承, 单列, 单面密封件
主要数据尺寸 基本负荷额定值 疲劳负荷限值 额定速度 体积 型号
动态 静态 参照速度 限制速度
d D B C C0 Pu * - SKF Explorer 轴承
mm kN kN r/min kg -
90190431511083,8-24004,906318-RS1 *

SKF6318-RS1*深沟球轴承供应商

八零动力专业销售6318-RS1*深沟球轴承,库存SKF6318-RS1*大量现货,与SKF合作,咨询热线:022-58519723业务咨询
SKF6318-RS1*卓越的性能和可靠的质量,让这款轴承成为市场的宠儿这款轴承的精度极高,能够满足对精度要求苛刻的设备这轴承的设计精妙,充分考虑了各种实际应用需求开启顺畅运行新时代,它在家用电器中的应用,让生活更加便捷 卓越的性能表现,让这款轴承在市场上脱颖而出,八零动力SKF深沟球轴承品种全,价格优,质量有保证!

用户关注最多的SKF轴承型号

SKF30230/DFC350 SKF6024NR* SKF61892MA SKF6204-2RSLTN9/HC5C3WT SKF6312NR* SKFC4911K30V* SKFCR102520 SKFCR110x135x12CRW1V SKFCR523547 SKFCR960x1040x23HDS2R SKFEE843220/843290 SKFNNCL4968CV SKFNU208ECKP* SKFW6008-2RS1 SKFWS89320

6318-RS1*深沟球轴承近似的SKF轴承型号

SKF6318-RS1* SKF6318-2RS1* SKF6318-Z* SKF6318* SKF6318-RS SKF6318-2RS SKF6318-2Z* SKF6318-RS SKF6318-Z*

用户关注最多的轴承狗热门型号

LYC  112.50.3150.12K NTN  NU306E FAG  BND2268-H-C-Y-AF-S FAG  SNV150-L + 2217-K-M-C3 + H317X300 + TCV517X300 MRC  6015-Z LYC  6002 E-2RS NACHI  NUP319E FAG  61813-2RSR-Y SKF  22213CC/W33 NSK  7340ADB SKF  SNP3084x15.3/4 SKF  R144 SKF  319432DA-2LS NSK  7036ADF IKO  CFE10-1UUR

版权所有©2009-2015 轴承狗zcgou.com ICP备案:津ICP备14004550号-13