SKF6317-Z*轴承详细参数

发布时间:2026-04-14
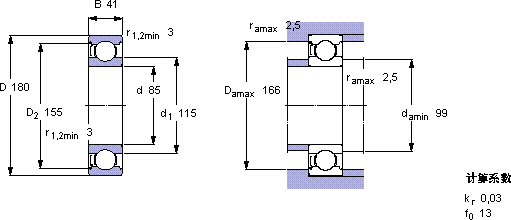
深沟球轴承, 单列, 单面防尘罩
主要数据尺寸 基本负荷额定值 疲劳负荷限值 额定速度 体积 型号
动态 静态 参照速度 限制速度
d D B C C0 Pu * - SKF Explorer 轴承
mm kN kN r/min kg -
851804114096,53,55800050004,256317-Z *

SKF6317-Z*深沟球轴承供应商

八零动力专业销售6317-Z*深沟球轴承,库存SKF6317-Z*大量现货,与SKF合作,咨询热线:022-58519723业务咨询
SKF6317-Z*它的抗压强度,让它承载能力惊人 高品质的轴承,在复杂工况下也能展现出卓越的性能它的稳定性,让它在各种环境下都能可靠工作 每一次旋转,都是品质的见证,卓越的性能和可靠的质量,让这款轴承成为市场的宠儿优秀的设计和卓越的性能,让这款轴承备受青睐,八零动力SKF深沟球轴承品种全,价格优,质量有保证!

用户关注最多的SKF轴承型号

SKF1205EKTN9 SKF305803C-2Z SKF7007CE/HCP4A SKF7202BEGAP* SKFBC2B322217 SKFCR145X175X15HMSA10RG SKFCR25X35X4HM4R SKFCR33775 SKFFY1.1/4TF/VA228 SKFHMVC142E SKFQJ230N2MA* SKFRMS9 SKFS71917CD/HCP4A SKFSAFC2616 SKFSYL25TH

6317-Z*深沟球轴承近似的SKF轴承型号

SKF6317* SKF6317-2RS SKF6317-RS SKF6317-2RS1* SKF6317-RS1* SKF6317-2Z* SKF6317-Z* SKF6317-RS1* SKF6317/C3VL0241

用户关注最多的轴承狗热门型号

LYC  NUP 309 EN SKF  248/900CAK30MA/W20 FAG  SNV080-L + 2208-K-TVH-C3 + H308X104 + DH508X104 SKF  PWM657580 INA  PAF12120-P14 SKF  NU2232E INA  GAY15-NPP-B RHP  NF313 国产  K52*59*35 SKF  PCM151720B KOYO  42FC29192 TIMKEN  8573 /8520-B NTN  22256BK SKF  100 FAG  SNV200-L + 1222-K-M-C3 + H222X400 + TCV522X400

版权所有©2009-2015 轴承狗zcgou.com ICP备案:津ICP备14004550号-13