SKF6317-RS1*轴承详细参数

发布时间:2026-04-14
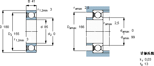
深沟球轴承, 单列, 单面密封件
主要数据尺寸 基本负荷额定值 疲劳负荷限值 额定速度 体积 型号
动态 静态 参照速度 限制速度
d D B C C0 Pu * - SKF Explorer 轴承
mm kN kN r/min kg -
851804114096,53,55-24004,256317-RS1 *

SKF6317-RS1*深沟球轴承供应商

八零动力专业销售6317-RS1*深沟球轴承,库存SKF6317-RS1*大量现货,与SKF合作,咨询热线:022-58519723业务咨询
SKF6317-RS1*持久转动承载重托精密与耐用的完美结合,这款轴承的运转十分平稳,几乎感受不到任何震动它的耐高温性能,减少了冷却系统的能耗 它的旋转精度,让高速运转成为现实 ,八零动力SKF深沟球轴承品种全,价格优,质量有保证!

用户关注最多的SKF轴承型号

SKF2x718/750AGMB SKF32256J2/HA1 SKF51268 SKF6311* SKFCR1094110 SKFCR15X25X5HMS5RG SKFCR230X260X15HMS5RG SKFCR390x430x20HDS2D SKFCR65x88x8CRW1R SKFCR99225 SKFCRM22A SKFNKI70/35 SKFNNCF4852CV SKFPF12TF SKFQJ214N2PHAS*

6317-RS1*深沟球轴承近似的SKF轴承型号

SKF6317-2RS1* SKF6317-2Z* SKF6317-Z* SKF6317-RS1* SKF6317* SKF6317-RS SKF6317-2RS SKF6317-RS SKF6317-Z*

用户关注最多的轴承狗热门型号

SKF  FSYE4.7/16 SKF  NJ2306ECP NTN  NN3021 SKF  22348CCK/W33+AOH2348* NSK  12BGR02S FAG  HC7001-E-T-P4S SKF  NU238ECMA FAG  SNV250-L + 23228-E1-K-TVPB + H2328X415 + TSV528X41 SKF  32056X SKF  NJ220ECP TIMKEN  SDAF23180 SKF  HM903249/2/210/QCL7C SKF  2x7319BEGBY LYC  6208 E/Z1 IKO  AS6085

版权所有©2009-2015 轴承狗zcgou.com ICP备案:津ICP备14004550号-13