SKF63005-2RS1轴承详细参数

发布时间:2026-05-30
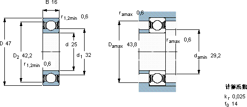
深沟球轴承, 单列, 两面密封件
主要数据尺寸 基本负荷额定值 疲劳负荷限值 额定速度 体积 型号
动态 静态 参照速度 限制速度
d D B C C0 Pu
mm kN kN r/min kg -
25471611,26,550,275-95000,1063005-2RS1

SKF63005-2RS1深沟球轴承供应商

八零动力专业销售63005-2RS1深沟球轴承,库存SKF63005-2RS1大量现货,与SKF合作,咨询热线:022-58519723业务咨询
SKF63005-2RS1它在农业机械中的应用,展现了它的耐用性 它的耐腐蚀性,让它经久不衰 它的品质卓越,为机械设备的高效运行提供了坚实后盾轴承的选材优质,确保了其在各种环境下都能稳定工作它的精密性,让它在高精度设备中无可替代 它在汽车工业中的应用,让车辆运行更加平稳 ,八零动力SKF深沟球轴承品种全,价格优,质量有保证!

用户关注最多的SKF轴承型号

SKF1213EKTN9 SKF2207EKTN9+H307 SKF3307A-2RS1TN9/MT33* SKF6026-RS SKF6314-2Z* SKF7211C/DT SKF7213BEP SKFBGSB358344 SKFCR530448 SKFNK22/20 SKFOH3976H SKFOKBS103 SKFPCM758040M SKFPCM758060M SKFYAT206/W64

63005-2RS1深沟球轴承近似的SKF轴承型号

SKF63005-2RS1 SKF63004-2RS1 SKF63006-2RS1

用户关注最多的轴承狗热门型号

NACHI  NUP2248 国产  KR30X INA  NKXR25 STEYR  NJ230 FAG  SNV260-L + 22324-E1 + DHV224 TIMKEN  L476549/L476510CD+L476549XA SKF  NJ328ECM TIMKEN  NU2203E.TVP SKF  OH30/500H INA  PAP5060-P10 FAG  HSS7018-E-T-P4S SKF  UCFU203 MRC  7311B MRC  NJ318 Stieber  NF100

版权所有©2009-2015 轴承狗zcgou.com ICP备案:津ICP备14004550号-13