SKF62/28轴承详细参数

发布时间:2026-04-14
深沟球轴承, 单列, 无密封件
主要数据尺寸 基本负荷额定值 疲劳负荷限值 额定速度 体积 型号
动态 静态 参照速度 限制速度
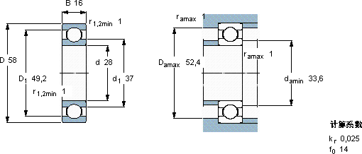
d D B C C0 Pu
mm kN kN r/min kg -
28581616,89,50,40526000160000,1862/28

SKF62/28深沟球轴承供应商

八零动力专业销售62/28深沟球轴承,库存SKF62/28大量现货,与SKF合作,咨询热线:022-58519723业务咨询
SKF62/28这款轴承的精度极高,能够满足对精度要求苛刻的设备设计合理、性能优良的它,是机械设备稳定运行的重要保障它的质量可靠,是众多机械设备制造商的首选配件制造工艺精湛,使得这款轴承的精度、稳定性和耐用性都非常出色它的每一次转动,都是对效率的极致追求 优秀的设计理念和精湛的制造工艺,成就了这款杰出的轴承,八零动力SKF深沟球轴承品种全,价格优,质量有保证!

用户关注最多的SKF轴承型号

SKF22228CC/W33 SKF22328-2CS5/VT143* SKF3208A-Z SKF6000-RZ SKF71913ACD/P4A SKF7236C/DB SKFAXW40 SKFCR65x100x8CRW1R SKFCR70x90x10CRSA1R SKFCR90070 SKFGE100ES-2LS SKFOKCX120 SKFPCM15015560B SKFSILA60TXE-2LS SKFSYR2.15/16

62/28深沟球轴承近似的SKF轴承型号

SKF6219-2RS1* SKF6215-2RS SKF627-2RSL* SKF62312-2RS1 SKF6209-2Z/VA208 SKF6201-2RSH* SKF6212-2ZNR* SKF6209-ZN SKFW628/6-2Z SKF62202-2RS1 SKF62/22-2RS1 SKF6300*

用户关注最多的轴承狗热门型号

KOYO  61952 RHP  NUP317 TIMKEN  9105K TIMKEN  56BIH251 NSK  7011CTY SKF  361203R 国产  NN3018K/C33 LYC  013.40.1250.11 SKF  7238C NTN  61913-ZN SKF  32960/DF TIMKEN  32206-B/32206-B 国产  33118 LYC  6003 E-2RS/P63Z2 NTN  NNU4952K

版权所有©2009-2015 轴承狗zcgou.com ICP备案:津ICP备14004550号-13