SKF626-RSL*轴承详细参数

发布时间:2026-05-30
深沟球轴承, 单列, 低摩擦单面密封件
主要数据尺寸 基本负荷额定值 疲劳负荷限值 额定速度 体积 型号
动态 静态 参照速度 限制速度
d D B C C0 Pu * - SKF Explorer 轴承
mm kN kN r/min kg -
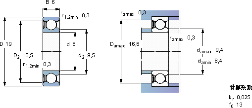
61962,340,950,0480000500000,0084626-RSL *

SKF626-RSL*深沟球轴承供应商

八零动力专业销售626-RSL*深沟球轴承,库存SKF626-RSL*大量现货,与SKF合作,咨询热线:022-58519723业务咨询
SKF626-RSL*它的抗疲劳性能,确保了长期使用的可靠性 它的轻量化设计,减少了材料的使用 转动的艺术轴承的选材优质,确保了其在各种环境下都能稳定工作精湛的工艺打造出的轴承,精度和稳定性都令人称赞它的材质选择,体现了对品质的极致追求 ,八零动力SKF深沟球轴承品种全,价格优,质量有保证!

用户关注最多的SKF轴承型号

SKF22309CCK/W33 SKF23132CCK/W33* SKF332060 SKFBC4B326361B/HA1 SKFCR6X16X5HMS5V SKFCR8782 SKFFSAF22314 SKFGEH35ES-2LS SKFIR20x25x38.5 SKFNU28/850MA SKFNUP319ECML* SKFQJ230N2MA SKFSAFC2544x7.7/8 SKFSNL3284GF SKFSYR3.7/16N-118

626-RSL*深沟球轴承近似的SKF轴承型号

SKF626-2RSH* SKF626-2RSL* SKF626-2RS SKF6260M SKF626-RSL* SKF6268MA SKF626-RS SKFW626-2Z SKFBB1B362692 SKF626* SKF626-RSH* SKF626-RZ

用户关注最多的轴承狗热门型号

SKF  N800 SKF  YEL206-103-2F NTN  UCK313 LYC  FCDP 92130470 M/HC FAG  SNV100-L + 22309-E1-K + H2309X109 + DHV609 SKF  6024-RS SKF  CR400280 NTN  1309K NTN  61810 LYC  440KVE6201EG SKF  23260CACK/W33 KOYO  625-2Z NSK  CM-UCF205-100D1 BARDEN  71902C IKO  NAS5056ZZNR

版权所有©2009-2015 轴承狗zcgou.com ICP备案:津ICP备14004550号-13