SKF626-Z*轴承详细参数

发布时间:2026-04-15
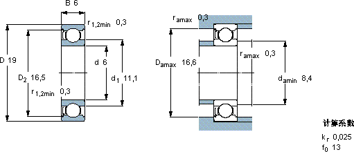
深沟球轴承, 单列, 单面防尘罩
主要数据尺寸 基本负荷额定值 疲劳负荷限值 额定速度 体积 型号
动态 静态 参照速度 限制速度
d D B C C0 Pu * - SKF Explorer 轴承
mm kN kN r/min kg -
61962,340,950,0480000500000,0084626-Z *

SKF626-Z*深沟球轴承供应商

八零动力专业销售626-Z*深沟球轴承,库存SKF626-Z*大量现货,与SKF合作,咨询热线:022-58519723业务咨询
SKF626-Z*它的抗冲击能力,让它经久不衰 这轴承的设计简直精妙绝伦,每一处细节都彰显着极致的工艺美学轴承的选材精良,确保了其具有良好的耐磨性和抗腐蚀性它的精密设计,展现了人类智慧的巅峰 旋转不息引领转动新潮流,,八零动力SKF深沟球轴承品种全,价格优,质量有保证!

用户关注最多的SKF轴承型号

SKF1726306-2RS1 SKFBEAS015045-2RS SKFCR32403 SKFCR36185 SKFCR99243 SKFCR99287 SKFNCF2972CV SKFNJ2215E SKFNNU4848K/W33 SKFP35WF SKFSAL60ES-2RS SKFSC7009DB/P7 SKFSIL17ES SKFSYH1.5/16FM SKFTVN208A

626-Z*深沟球轴承近似的SKF轴承型号

SKFE2.626-2Z/C3 SKF626-RZ SKF626-2RZ SKF626-2Z* SKF626-RSH* SKFW626-2Z SKF626* SKFBB1B362692 SKF626-2RS SKFW626-2RS1 SKF626-RZ SKF6260M

用户关注最多的轴承狗热门型号

KOYO  30326 NACHI  2907 SKF  CR14247 SKF  CR81253 NACHI  6801NSE INA  LTPG15-185-2020 SKF  NUC3004CV STEYR  NJ2312 INA  GAKR16-PB FAG  S3088-H-N-FZ-AL-L + 230SM410-MA SKF  CR42X67X10HMS5RG TIMKEN  EE234160/234213CD/X1S-234160 MRC  7312AC/DF SKF  7001CD/HCP4A IKO  KT859325

版权所有©2009-2015 轴承狗zcgou.com ICP备案:津ICP备14004550号-13