SKF6217-RS1*轴承详细参数

发布时间:2026-04-14
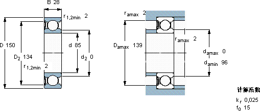
深沟球轴承, 单列, 单面密封件
主要数据尺寸 基本负荷额定值 疲劳负荷限值 额定速度 体积 型号
动态 静态 参照速度 限制速度
d D B C C0 Pu * - SKF Explorer 轴承
mm kN kN r/min kg -
851502887,1642,5-28001,806217-RS1 *

SKF6217-RS1*深沟球轴承供应商

八零动力专业销售6217-RS1*深沟球轴承,库存SKF6217-RS1*大量现货,与SKF合作,咨询热线:022-58519723业务咨询
SKF6217-RS1*这轴承的精度控制令人佩服,为设备的精准运行提供了保障高精度的轴承,为设备的稳定运行提供了坚实保障它的精密设计,展现了人类智慧的巅峰 制造工艺先进,使得这款轴承的性能远超普通产品优秀的设计理念和精湛的制造工艺,成就了这款杰出的轴承为设备的精确运行提供了保障,该轴承的精度控制精准,为设备的精确运行提供了保障,八零动力SKF深沟球轴承品种全,价格优,质量有保证!

用户关注最多的SKF轴承型号

SKF231/800CAK/W33+AOH31/800 SKF231/1000CAKF/W33+AOH31/1000 SKF23240CC/W33 SKF2x7222BECBY SKF32064X/DF SKF361840 SKF635-RZ* SKFCR18558 SKFCR32X55X10HMSA10RG SKFCR42X62X10HMSA10RG SKFKMFE11 SKFNA4902RS SKFNKX15Z SKFNU2330E SKFSC71920FB/P7

6217-RS1*深沟球轴承近似的SKF轴承型号

SKF6217-2RS SKF6217/W64* SKF6217-2Z* SKF6217-RS1* SKF6217-Z* SKF6217-RS SKF6217* SKF6217/VA201 SKF6217N* SKF6217-2RS1* SKF6217-RS SKF6217-Z*

用户关注最多的轴承狗热门型号

NTN  N207 FAG  SNV290-L + 22232-E1-K + H3132X507 + DH532X507 NACHI  SN612FE KOYO  NF221 SKF  GS81113 NTN  6822N SKF  23138CCK/33+H3138 NSK  CM-UCP206-102D1 FAG  KUG39,688 NACHI  6000-2NSE SKF  CR1400580 NACHI  7338DF SKF  HE219 IKO  BRI102216UU IKO  IRT1222-1

版权所有©2009-2015 轴承狗zcgou.com ICP备案:津ICP备14004550号-13