SKF6217/W64*轴承详细参数

发布时间:2026-04-14
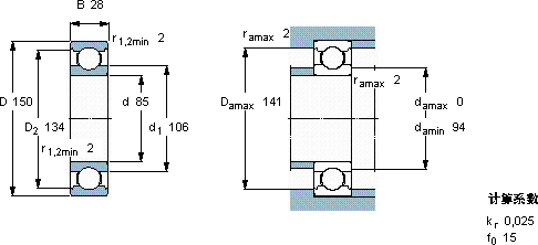
深沟球轴承, 单列, 含Solid Oil, 无密封件
主要数据尺寸 基本负荷额定值 疲劳负荷限值 限制速度 体积 型号
动态 静态
dDBCC0Pu * - SKF Explorer 轴承
mmkNkNr/minkg-
851502887,1642,524001,806217/W64 *

SKF6217/W64*深沟球轴承供应商

八零动力专业销售6217/W64*深沟球轴承,库存SKF6217/W64*大量现货,与SKF合作,咨询热线:022-58519723业务咨询
SKF6217/W64*质量无可比拟的轴承,在行业内树立了良好的品质标杆优秀的设计让这款轴承在运行时更加高效节能旋转无忧它的多样化应用,展现了它的无限可能 机械的心脏转动不停歇,八零动力SKF深沟球轴承品种全,价格优,质量有保证!

用户关注最多的SKF轴承型号

SKF23230CCK/W33 SKF63003-2RS1 SKF71809CD/P4A SKF71920ACE/HCP4A SKF7215AC/DB SKFC31/630KMB+AOH31/630* SKFCR120X145X12CRW1R SKFCR335x380x20HDS1R SKFCR380x440x25HDS2R SKFCR50X68X8HMS5V SKFFYKC40NTH SKFIR60x68x25 SKFPCZ0810B SKFSAF23056KAx10 SKFSYE2.11/16-3

6217/W64*深沟球轴承近似的SKF轴承型号

SKF6217-2RS SKF6217-2RS1* SKF6217-Z* SKF6217NR* SKF6217-RS1* SKF6217-2Z/VA208 SKF6217* SKF6217/VA201 SKF6217-2Z* SKF6217/W64* SKF6217/VA201 SKF6218*

用户关注最多的轴承狗热门型号

KOYO  N204 TIMKEN  48685/48620D KOYO  NU2324 LYC  NJ 212 M/C3 NSK  NU207EM NSK  7017A5TYNP5 NSK  RNA6919 SKF  231/850CAK/W33 TIMKEN  MS3096 TIMKEN  469/452D NACHI  23930AX SKF  CR99339 NSK  232/560CAE4 NACHI  25580/25521 INA  RA60

版权所有©2009-2015 轴承狗zcgou.com ICP备案:津ICP备14004550号-13