SKF6216-2RS1*轴承详细参数

发布时间:2026-05-30
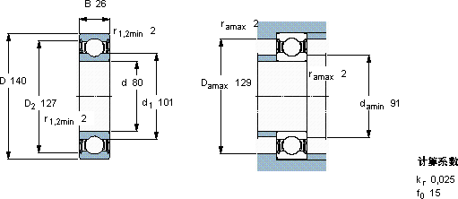
深沟球轴承, 单列, 两面密封件
主要数据尺寸 基本负荷额定值 疲劳负荷限值 额定速度 体积 型号
动态 静态 参照速度 限制速度
d D B C C0 Pu * - SKF Explorer 轴承
mm kN kN r/min kg -
801402672,8552,2-30001,406216-2RS1 *

SKF6216-2RS1*深沟球轴承供应商

八零动力专业销售6216-2RS1*深沟球轴承,库存SKF6216-2RS1*大量现货,与SKF合作,咨询热线:022-58519723业务咨询
SKF6216-2RS1*它的质量卓越,为机械设备的安全运行保驾护航设计独特的轴承,不仅性能优越,还具有很高的性价比质量上乘的轴承,为设备的高效稳定运行奠定了基础质量无可挑剔的轴承,在行业内树立了良好的口碑和形象它的精密设计,展现了人类智慧的巅峰 这轴承的选材讲究,坚固耐用,寿命远超同类产品,八零动力SKF深沟球轴承品种全,价格优,质量有保证!

用户关注最多的SKF轴承型号

SKF1226M SKF21320EK* SKF32028T130X/QDB SKF6305-Z* SKF71821CD/P4A SKF7309BECBM SKFBT4B328842E1/C325* SKFBTM65B/HCP4CDBB SKFCR15X35X7HMSA10RG SKFCR26237 SKFCR550253 SKFKMK9 SKFNNCF4868CV SKFSDAF22530x5.1/4 SKFZ009

6216-2RS1*深沟球轴承近似的SKF轴承型号

SKF6216-2Z/VA208 SKF6216NR* SKF6216-RS SKF6216-2RS SKF6216-2RS1* SKF6216N* SKF6216-2Z* SKF6216* SKF6216-Z* SKF6216-RS1* SKF6216-2RS SKF6216-2Z*

用户关注最多的轴承狗热门型号

NSK  6980M INA  PAP5040-P14 TIMKEN  23952YM SKF  GEZM312ES-2RS FAG  KUG165 SKF  K240x250x42 LYC  7022 ACP4/DB FAG  BND3272-Z-Y-BL-S LYC  6205 E-2RZ/Z1 NTN  N2217 TIMKEN  395-S/394DC+X1S-395-S MRC  3303A-Z TIMKEN  HM3088 INA  RMWE15-RB/159x../146 IKO  LRXG100

版权所有©2009-2015 轴承狗zcgou.com ICP备案:津ICP备14004550号-13