SKF6212-RS1*轴承详细参数

发布时间:2026-04-15
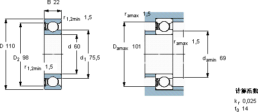
深沟球轴承, 单列, 单面密封件
主要数据尺寸 基本负荷额定值 疲劳负荷限值 额定速度 体积 型号
动态 静态 参照速度 限制速度
d D B C C0 Pu * - SKF Explorer 轴承
mm kN kN r/min kg -
601102255,3361,53-40000,786212-RS1 *

SKF6212-RS1*深沟球轴承供应商

八零动力专业销售6212-RS1*深沟球轴承,库存SKF6212-RS1*大量现货,与SKF合作,咨询热线:022-58519723业务咨询
SKF6212-RS1*它的耐腐蚀性,减少了维护成本 轴承的选材优质,确保了其在各种环境下都能稳定工作每一次旋转,都是品质的见证,它的表面硬化处理,延长了它的使用寿命 是您设备高效运转的可靠伙伴,它的抗疲劳性能,确保了长期使用的可靠性 ,八零动力SKF深沟球轴承品种全,价格优,质量有保证!

用户关注最多的SKF轴承型号

SKF24044CC/W33* SKF33017/QDFC240 SKF51060M SKF6215-RS1* SKF6313-2RS1/HC5C3WT SKF7009C/DT SKFC30/900KMB* SKFCR1025249 SKFCR12x25x7CRW1R SKFFSYE2.11/16NH SKFFY40TF/VA228 SKFFYR4-3 SKFFYRP4 SKFLR50x55x20.5 SKFSDAF22338

6212-RS1*深沟球轴承近似的SKF轴承型号

SKF6212N* SKF6212* SKF6212NR* SKF6212-2RS1* SKF6212/VA201 SKF6212-ZNR* SKF6212-2Z/VA208 SKF6212-2ZNR* SKF6212-RS1* SKF6212-2RS1/W64* SKF6212-RS SKF6212-Z*

用户关注最多的轴承狗热门型号

NTN  22211CCK/W33 SKF  OKC570 TIMKEN  HM252343/HM252315D SKF  GEZM500ES KOYO  NJ2310+HJ2310 TIMKEN  23348YM 国产  6214/Z2 KOYO  NU3214 SKF  21310CCK SNR  7036AC/DF 国产  6204-RS SKF  29252 LYC  7203 CMYA IKO  NAST20ZZUU IKO  ST90120100B

版权所有©2009-2015 轴承狗zcgou.com ICP备案:津ICP备14004550号-13