SKF6212-2RS1*轴承详细参数

发布时间:2026-05-29
深沟球轴承, 单列, 两面密封件
主要数据尺寸 基本负荷额定值 疲劳负荷限值 额定速度 体积 型号
动态 静态 参照速度 限制速度
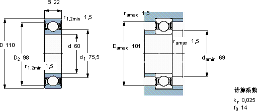
d D B C C0 Pu * - SKF Explorer 轴承
mm kN kN r/min kg -
601102255,3361,53-40000,786212-2RS1 *

SKF6212-2RS1*深沟球轴承供应商

八零动力专业销售6212-2RS1*深沟球轴承,库存SKF6212-2RS1*大量现货,与SKF合作,咨询热线:022-58519723业务咨询
SKF6212-2RS1*以精湛工艺铸就转动不停歇先进的制造工艺,让这款轴承的性能更加稳定可靠精湛的制造工艺赋予了这款轴承出色的性能和可靠性稳定持久质量上乘的轴承,为设备的高效稳定运行奠定了基础,八零动力SKF深沟球轴承品种全,价格优,质量有保证!

用户关注最多的SKF轴承型号

SKF22322CCK/W33 SKF241/560ECK30J/W33* SKF30213J2/Q SKF6072 SKF7024CD/P4A SKFCR12X18X3HM4R SKFCR404553 SKFCR60X90X8HMS5RG SKFH3120E SKFIR45x55x20IS1 SKFNNC4856CV SKFNUP315E SKFPF1.7/16FM SKFSNW3124x4.3/16 SKFSY13/16WF

6212-2RS1*深沟球轴承近似的SKF轴承型号

SKF6212-2ZN SKF6212-2RS1* SKF6212-2RS SKF6212/VA201 SKF6212/W64* SKF6212NR* SKF6212* SKF6212-2Z/VA208 SKF6212-RS SKF6212-ZNR* SKF6212-2RS SKF6212-2RS1/HC5C3WT

用户关注最多的轴承狗热门型号

INA  BKE.TKSD45-H LYC  QJ 1040 M/P5 SKF  NNU4992BK/SPW33 NACHI  63/28-2NKE TIMKEN  397/394DC SKF  SAF22330 SKF  IR22x28x20.5 TIMKEN  22316YM* SKF  32304J2/Q SKF  6002-2RS NSK  7007ATYNP5 KOYO  46396 INA  RWS1808-100/x100/x48 SKF  NKXR45Z IKO  CRW15-700

版权所有©2009-2015 轴承狗zcgou.com ICP备案:津ICP备14004550号-13