SKF6209-2RZTN9/HC5C3WT轴承详细参数

发布时间:2026-05-30
深沟球轴承, 单列陶瓷混合轴承, 低摩擦两面密封件
主要数据尺寸 基本负荷额定值 疲劳负荷限值 额定速度 体积 型号
动态 静态 参照速度 限制速度
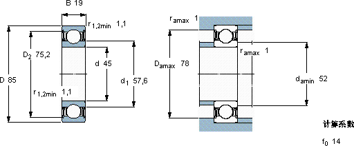
d D B C C0 Pu
mm kN kN r/min kg -
45851935,121,60,91522000140000,426209-2RZTN9/HC5C3WT

SKF6209-2RZTN9/HC5C3WT工程产品供应商

八零动力专业销售6209-2RZTN9/HC5C3WT工程产品,库存SKF6209-2RZTN9/HC5C3WT大量现货,与SKF合作,咨询热线:022-58519723业务咨询
SKF6209-2RZTN9/HC5C3WT优秀的设计理念和精湛的制造工艺,成就了这款优秀的轴承出色的性能表现,让这款轴承成为行业内的明星产品,轴承的耐用性极佳,能够承受高强度的工作负荷从制造工艺到实际性能,这款轴承都表现得十分出色,轴承的耐用性超乎想象,有效降低了设备的维护成本它的可回收性,减少了废弃物处理成本 ,八零动力SKF工程产品品种全,价格优,质量有保证!

用户关注最多的SKF轴承型号

SKF22380CAK/W33+AOH3280G* SKF241/1000ECAF/W33 SKF2x7204BECBP* SKF6213-Z* SKF7313B/DB SKFC7006FB/P7 SKFCR13512 SKFCR30003 SKFIR50x60x28 SKFNJ2232E SKFNU1068MA SKFNU208E SKFNU313E SKFPCM556020B SKFSNL505

6209-2RZTN9/HC5C3WT工程产品近似的SKF轴承型号

SKF6209/HR22T2 SKF6209-2RZTN9/HC5C3WT SKF6209/HR11TN SKF6209/HR11QN SKF6209/HR22Q2 SKF6209-2RS1* SKF6209-2Z*

用户关注最多的轴承狗热门型号

ASK  NU1020 SKF  S7019FB/P7 FAG  SNV080-L + 1208-TVH + TSV208 LYC  N 334/P5 NSK  BL219Z TIMKEN  67BIH301 TIMKEN  320RN51 GMN  71914C/DT KOYO  7226B INA  SL183068-TB FAG  BND3280-H-W-Y-AL-S KOYO  A4059/138 SKF  FBSA210A/QFC IKO  KT354026 IKO  LRB202416

版权所有©2009-2015 轴承狗zcgou.com ICP备案:津ICP备14004550号-13