SKF6208-RS1*轴承详细参数

发布时间:2026-04-14
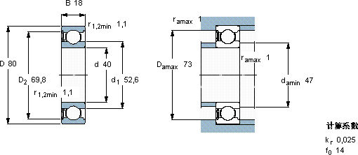
深沟球轴承, 单列, 单面密封件
主要数据尺寸 基本负荷额定值 疲劳负荷限值 额定速度 体积 型号
动态 静态 参照速度 限制速度
d D B C C0 Pu * - SKF Explorer 轴承
mm kN kN r/min kg -
40801832,5190,8-56000,376208-RS1 *

SKF6208-RS1*深沟球轴承供应商

八零动力专业销售6208-RS1*深沟球轴承,库存SKF6208-RS1*大量现货,与SKF合作,咨询热线:022-58519723业务咨询
SKF6208-RS1*它的故障率极低,确保了设备的稳定运行 性能优越的轴承,极大地提高了设备的工作效率和稳定性其设计和制造都达到了极高的水准,是一款不可多得的轴承它的轴向游隙控制,精准到令人惊叹 优秀的轴承,就像精密仪器的心脏,确保着整个系统的高效运转承载重托,八零动力SKF深沟球轴承品种全,价格优,质量有保证!

用户关注最多的SKF轴承型号

SKF2x7200BECBP SKF51106V/HR11Q1 SKF6012/HR11QN SKF7013ACD/HCP4A SKF7307B SKFBB1B363297 SKFCR105X130X12HMSA10V SKFCR17699 SKFCR50X68X7HMS5RG SKFCR63X85X10HMS5V SKFFSYE2.15/16 SKFFT1.3/16FM SKFLM104949/911/Q SKFPFT7/8TF SKFPCM28028580E

6208-RS1*深沟球轴承近似的SKF轴承型号

SKFW6208 SKF6208-2RS1* SKF6208-2RS1/W64* SKF6208-2ZNR* SKF6208-2Z/VA208 SKF6208-RZ* SKF6208NR* SKF6208-ZN SKF6208/VA201 SKF6208-2RZ* SKF6208-RS SKF6208-RZ*

用户关注最多的轴承狗热门型号

FAG  LOE248-N-BF-L FAG  SNV200-L + 1222-K-M-C3 + H222X312 + DHV522X312 DKF  7310AC/DT LYC  LM 78349/LM78310 SYEYR  NU2304E 国产  22214CK FAG  24134-E1 NACHI  NJ2328 SKF  7417BACBMC NTN  23256CACK/W33 GMN  7207C/DT TORRINGTON  HK1512 NACHI  7007DB SKF  S7007DB/P7 NSK  90BNR19XE

版权所有©2009-2015 轴承狗zcgou.com ICP备案:津ICP备14004550号-13