SKF6208-2Z/VA201轴承详细参数

发布时间:2026-04-14
深沟球轴承, 用于高温的深沟球轴承, 两面防尘罩
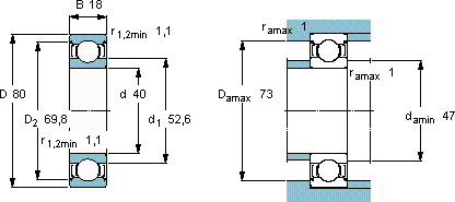
主要数据尺寸 基本负荷额定值 径向内部游隙 体积 型号
静态
d D B C0 最小 最大
mm kN μm kg -
408018191602560,376208-2Z/VA201

SKF6208-2Z/VA201深沟球轴承供应商

八零动力专业销售6208-2Z/VA201深沟球轴承,库存SKF6208-2Z/VA201大量现货,与SKF合作,咨询热线:022-58519723业务咨询
SKF6208-2Z/VA201它的品质卓越,为机械设备的高效运行提供了坚实后盾这轴承的选材讲究,坚固耐用,寿命远超同类产品它的品质卓越,为机械设备的高效、稳定运行保驾护航从制造工艺到实际性能,这款轴承都表现得十分出色,它的抗拉强度,让它经得起各种考验 转动精彩,八零动力SKF深沟球轴承品种全,价格优,质量有保证!

用户关注最多的SKF轴承型号

SKF23128CCK/33+H3128 SKF3212A-2RS1/MT33* SKF321489 SKF53208 SKF60964MA SKF628/4-2Z SKFBT4B331487G/HA1 SKFCR16X28X7HMS5V SKFCR33033 SKFCR35x50x8CRW1R SKFFSAFC2517 SKFNK28/30 SKFNJ224ECML* SKFNU214ECM* SKFSIKAC14M

6208-2Z/VA201深沟球轴承近似的SKF轴承型号

SKF6208* SKF6208NR* SKF6208-RS1* SKF6208-RZ* SKF6208-ZNR* SKF6208-2Z/VA228 SKF6208N* SKF6208-Z* SKFW6208-2RS1 SKF6208-2Z* SKF6208-2ZNR* SKF6208-2Z/VA208

用户关注最多的轴承狗热门型号

SKF  BSA207CG FAG  234410-M-SP MRC  QJ304 NSK  6207T1XVV LYC  7215 ACT/P4 RHP  7321B/DF SKF  6238M NMB  A-2216ZZ NSK  UCP212-206D1 SKF  TVN212WA MRC  71922C/DF SKF  NK6/10 IKO  KT222920 IKO  TRU203825UU IKO  LRT556345

版权所有©2009-2015 轴承狗zcgou.com ICP备案:津ICP备14004550号-13