SKF6205-RSH*轴承详细参数

发布时间:2026-05-30
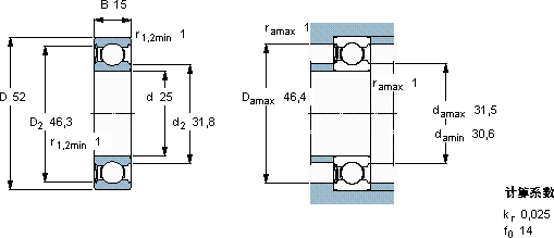
深沟球轴承, 单列, 单面密封件
主要数据尺寸 基本负荷额定值 疲劳负荷限值 额定速度 体积 型号
动态 静态 参照速度 限制速度
d D B C C0 Pu * - SKF Explorer 轴承
mm kN kN r/min kg -
25521514,87,80,335-85000,136205-RSH *

SKF6205-RSH*深沟球轴承供应商

八零动力专业销售6205-RSH*深沟球轴承,库存SKF6205-RSH*大量现货,与SKF合作,咨询热线:022-58519723业务咨询
SKF6205-RSH*品质卓越轴承的耐用性强,减少了设备的停机维护时间它的模块化设计,让安装和更换变得轻松便捷 它的径向跳动控制,达到了行业顶尖水平 它的疲劳强度,确保了长期使用的可靠性 就是选择高效与可靠,八零动力SKF深沟球轴承品种全,价格优,质量有保证!

用户关注最多的SKF轴承型号

SKF30220 SKF6000-RS SKF6200-2RS SKFC71906FB/P7 SKFCR110X130X12HMSA10RG SKFCR87850 SKFFYRP3.15/16 SKFFYRP3H-18 SKFMS3084 SKFNJ416 SKFNNC4930CV SKFNU10/530MA SKFPF40RM SKFPF13/16WF SKFYAT206/W64

6205-RSH*深沟球轴承近似的SKF轴承型号

SKF6205ETN9 SKF6205-2RZ SKF6205-RZ SKFW6205-2RS1 SKF6205-2ZN SKF6205N* SKF6205-2Z/VA201 SKF6205-2ZNR* SKF6205-RSL* SKF6205-RS SKF6205-RS SKF6205-RSL*

用户关注最多的轴承狗热门型号

TIMKEN  HMV-90 LYC  NJ 405 M SKF  NNCF5016CV SKF  53228U MRC  6032 SKF  23252CAC/W33 SKF  PCM303420E SKF  GE260TXA-2LS SKF  SAF22640 SKF  FSNL619TURU TIMKEN  25580/25520D+X3S-25580 NACHI  SN516 ASAHI  UKP212+H2312 SKF  BT2B334068/HA1VA901 NTN  7818CDT

版权所有©2009-2015 轴承狗zcgou.com ICP备案:津ICP备14004550号-13