SKF6201-Z*轴承详细参数

发布时间:2026-04-15
深沟球轴承, 单列, 单面防尘罩
主要数据尺寸 基本负荷额定值 疲劳负荷限值 额定速度 体积 型号
动态 静态 参照速度 限制速度
d D B C C0 Pu * - SKF Explorer 轴承
mm kN kN r/min kg -
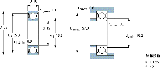
1232107,283,10,13250000320000,0376201-Z *

SKF6201-Z*深沟球轴承供应商

八零动力专业销售6201-Z*深沟球轴承,库存SKF6201-Z*大量现货,与SKF合作,咨询热线:022-58519723业务咨询
SKF6201-Z*它的耐磨性能,让它在恶劣环境下依然稳定运行 高品质的轴承,在复杂工况下也能展现出卓越的性能轴承的精度和稳定性都达到了行业顶尖水平质量上乘的轴承,为设备的高效稳定运行奠定了基础它在船舶工业中的应用,展现了它的耐腐蚀性 以卓越品质,八零动力SKF深沟球轴承品种全,价格优,质量有保证!

用户关注最多的SKF轴承型号

SKF7204B SKFC71912DB/P7 SKFCR18545 SKFCR20X34X7HMSA10RG SKFCR480x520x20HDS1R SKFCR99595 SKFFSYE3.11/16NH-118 SKFGEC420FBAS SKFNJG2322VH SKFPCM200205100E SKFPWM253030 SKFRLS12 SKFS71928CD/P4A SKFSIL40TXE-2LS SKFSNL613TURU

6201-Z*深沟球轴承近似的SKF轴承型号

SKF6201-2RSH* SKF6201-RZ SKF6201-RSH* SKF6201-2RSL* SKF6201-RSL* SKF6201-2ZN SKF6201-2Z/VA201 SKFW6201-2Z SKFW6201 SKF6201/VA201 SKF6201-RZ SKF6201-ZN

用户关注最多的轴承狗热门型号

国产  NK68/35 NACHI  54228U NTN  231/850B TIMKEN  110RN02 LYC  6034 M SKF  C4038K30V+AH24038* SKF  CR11066 FAG  22318-E1-K + H2318 INA  LR7X10X10,5 SKF  CR31132 SKF  S71913ACD/P4A SKF  SAF22632 INA  PAP1212-P20 国产  UC315 IKO  CR24BR

版权所有©2009-2015 轴承狗zcgou.com ICP备案:津ICP备14004550号-13