SKF619/9轴承详细参数

发布时间:2026-04-15
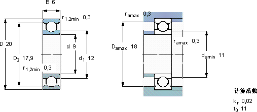
深沟球轴承, 单列, 无密封件
主要数据尺寸 基本负荷额定值 疲劳负荷限值 额定速度 体积 型号
动态 静态 参照速度 限制速度
d D B C C0 Pu
mm kN kN r/min kg -
92062,080,8650,03680000480000,0076619/9

SKF619/9深沟球轴承供应商

八零动力专业销售619/9深沟球轴承,库存SKF619/9大量现货,与SKF合作,咨询热线:022-58519723业务咨询
SKF619/9以卓越品质每一次转动都是精准与力量的完美呈现,是您成功路上的得力助手,它的抗变形能力,让它在高负载下依然保持形状 它的耐磨性能,让它在恶劣环境下依然稳定运行 稳定的传奇,八零动力SKF深沟球轴承品种全,价格优,质量有保证!

用户关注最多的SKF轴承型号

SKF23264CC/W33* SKF31326XJ2 SKF3207A-2Z SKF3212A-2RS1TN9/MT33* SKF6096 SKFBT4B329010G/HA1VA901 SKFCR150X180X15HMSA10V SKFCR17761 SKFCR5605 SKFCR86458 SKFNNU41/950K30M/W33 SKFNU207ECP SKFNUP218E SKFS71909FB/P7 SKFSYK40TF

619/9深沟球轴承近似的SKF轴承型号

SKF61934 SKFW61902-2RS1 SKF61909 SKFW61901-2Z SKF61921 SKF61964MA SKF61988 SKF61908-2RS SKFW619/8-2Z SKF61952MA SKF619/850MA SKF619/9-2Z

用户关注最多的轴承狗热门型号

FAG  NNU4972-S-K-M-SP FAG  HC7013-E-T-P4S SKF  FYR1.15/16-18 NTN  51218 DKF  7011AC/DB SKF  FYC45TF RHP  7022C/DT LYC  132.50.3550.12K MAC  NU1056 SKF  361200R FAG  B7030-C-T-P4S NSK  HR33009J 国产  23036K KOYO  NJ212+HJ212 IKO  LRXD12

版权所有©2009-2015 轴承狗zcgou.com ICP备案:津ICP备14004550号-13