SKF61911-2RS1轴承详细参数

发布时间:2026-04-14
深沟球轴承, 单列, 两面密封件
主要数据尺寸 基本负荷额定值 疲劳负荷限值 额定速度 体积 型号
动态 静态 参照速度 限制速度
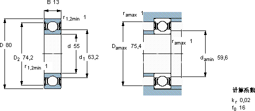
d D B C C0 Pu
mm kN kN r/min kg -
55801316,5140,6-50000,1961911-2RS1

SKF61911-2RS1深沟球轴承供应商

八零动力专业销售61911-2RS1深沟球轴承,库存SKF61911-2RS1大量现货,与SKF合作,咨询热线:022-58519723业务咨询
SKF61911-2RS1该轴承的性能卓越,完全满足了各种严苛工况的需求这款轴承的稳定性极佳,在长时间运行中也能保持良好状态优秀的设计和卓越的性能,让这款轴承备受青睐高品质的轴承,在各种复杂环境下都能稳定发挥作用是您机械世界里的不败功臣,这轴承的稳定性极佳,在高速运转时也能保持良好状态,八零动力SKF深沟球轴承品种全,价格优,质量有保证!

用户关注最多的SKF轴承型号

SKF313477B SKF32219J2 SKF331078A SKF6009-2RS1* SKFBA3 SKFC30/710M* SKFCR28X40X7HMS5V SKFCR56160 SKFCR60X90X8HMSA10RG SKFCR99114 SKFFBSA207/DF SKFNU2238ECMA* SKFP1.7/16RM SKFSC7010FB/P7 SKFSYH1.5/8RM

61911-2RS1深沟球轴承近似的SKF轴承型号

SKF61911-RS SKF61911-RZ SKF61911-2RS1 SKF61911-2RZ SKF61911-2RS SKF61911 SKF61911-2RS SKF61911-2RZ

用户关注最多的轴承狗热门型号

KOYO  63/28N LYC  NU 1026 M/P6 NTN  NJ2234E SKF  CR90198 LYC  51074 M NSK  7334ADB LYC  6013 E-2Z 国产  6316-ZN SKF  7418GBM INA  RMWE9A-RB/99x../54 FAG  6348-M NMB  R-930ZZ ZKL  32017 NACHI  HH221449/HH221410 IKO  CR26BR

版权所有©2009-2015 轴承狗zcgou.com ICP备案:津ICP备14004550号-13