SKFBTW120CTN9/SP轴承详细参数

发布时间:2026-05-30
主要数据尺寸 基本负荷额定值 疲劳负荷限值 可达到的速度 体积 型号
动态 静态 疲劳负荷限值 当润滑与
疲劳负荷限值 油脂 滴油润滑
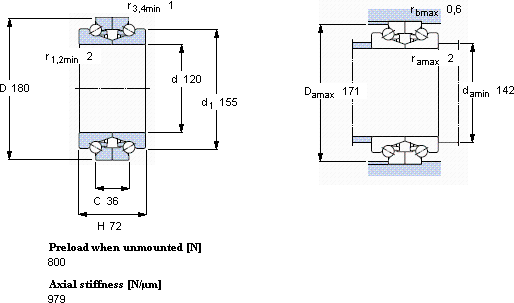
d D H C C C0 Pu
mm kN kN r/min kg -
120180723685,228010,8400048005,05BTW 120 CTN9/SP

SKFBTW120CTN9/SP双向角接触推力球轴承BTW系列供应商

八零动力专业销售BTW120CTN9/SP双向角接触推力球轴承BTW系列,库存SKFBTW120CTN9/SP大量现货,与SKF合作,咨询热线:022-58519723业务咨询
SKFBTW120CTN9/SP它的润滑技术,减少了润滑剂的使用 性能优越的轴承,极大地提升了设备的工作性能和效率轴承的稳定性和可靠性表现卓越,赢得了广泛赞誉它的抗震性能,确保了它在振动环境下的可靠性 卓越的设计理念,赋予了这款轴承超凡的性能它在电子设备中的应用,展现了它的高精密性 ,八零动力SKF双向角接触推力球轴承BTW系列品种全,价格优,质量有保证!

用户关注最多的SKF轴承型号

SKF1302ETN9 SKF23144-2CS5/VT143* SKF24130CC/W33* SKF51104V/HR11Q1 SKF61826-2RS SKFCR1000x1050x23HDS2R2 SKFCR100X120X12HMSA10V SKFCR13698 SKFCR95x120x12CRW1V SKFCRMVR1-90 SKFNA4912 SKFNCF2896V SKFSYK30TR SKFSYR2.-18 SKFW619/5

BTW120CTN9/SP双向角接触推力球轴承BTW系列近似的SKF轴承型号

SKFBTW120CTN9/SP SKFBTW110CTN9/SP SKFBTW130CTN9/SP

用户关注最多的轴承狗热门型号

KOYO  NU2307 SKF  7224BCBM SNR  7211AC/DT SKF  SYR2.-18 SKF  NA2204.2RS FAG  H39/500-HG GMN  7021C/DT NTN  239/500K DKF  7321B/DB SKF  7216AC LYC  33005/内组件 SKF  YAR215-211-2F FAG  NU10/500-M1 FAG  SNV085-L + 20209-K-TVP-C3 + H209 + DHV509 IKO  LBD10UU

版权所有©2009-2015 轴承狗zcgou.com ICP备案:津ICP备14004550号-13