SKF61811-2RZ轴承详细参数

发布时间:2026-04-15
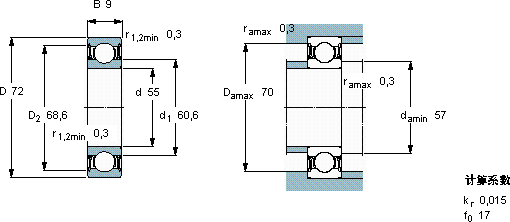
深沟球轴承, 单列, 低摩擦两面密封件
主要数据尺寸 基本负荷额定值 疲劳负荷限值 额定速度 体积 型号
动态 静态 参照速度 限制速度
d D B C C0 Pu
mm kN kN r/min kg -
557299,048,80,3751900095000,08361811-2RZ

SKF61811-2RZ深沟球轴承供应商

八零动力专业销售61811-2RZ深沟球轴承,库存SKF61811-2RZ大量现货,与SKF合作,咨询热线:022-58519723业务咨询
SKF61811-2RZ设计独特、性能优越的轴承,满足了不同用户的需求先进的制造工艺,让这款轴承的性能更加稳定可靠先进的制造技术和严格的质量检测,造就了这款优质轴承它的低噪音设计,减少了对环境的噪音污染 坚固耐用性能优越的轴承,极大地提升了设备的工作性能和效率,八零动力SKF深沟球轴承品种全,价格优,质量有保证!

用户关注最多的SKF轴承型号

SKF22210CCK/W33 SKF23964CC/W33* SKF351554B SKF353078A SKF7002C/DF SKFAXW17 SKFC71918FB/P7 SKFCR12X30X7HMS5V SKFCR50X62X10CRS1R SKFFYR1.7/16H-18 SKFNU2314ECP SKFPFT1.1/4TR SKFSNL3180GL SKFSYJ75TF SKFWS81207

61811-2RZ深沟球轴承近似的SKF轴承型号

SKF61811-2RS SKF61811 SKF61811-RZ SKF61811-2RZ SKF61811-RS SKF61811-2RS1 SKF61811-2RS1 SKF61811-RS

用户关注最多的轴承狗热门型号

TIMKEN  33215/33215 MRC  6221-Z SKF  231/750CA/W33 FAG  SNV052-L + 20205-K-TVP-C3 + H205 + TSV505 NSK  RNA5903 SKF  6204-2RSLTN9/HC5C3WT DKF  7214B/DF TIMKEN  HM237532/HM237510CD+HM237532XC ZKL  NJ2326 INA  ZKLN0832-2RS FAG  23060-MB SKF  CR32X56X12CRSH11R SKF  GS89460 FAG  ZRB80X90-QP IKO  TAF223020-SG

版权所有©2009-2015 轴承狗zcgou.com ICP备案:津ICP备14004550号-13