SKF61811-2RS1轴承详细参数

发布时间:2026-04-14
深沟球轴承, 单列, 两面密封件
主要数据尺寸 基本负荷额定值 疲劳负荷限值 额定速度 体积 型号
动态 静态 参照速度 限制速度
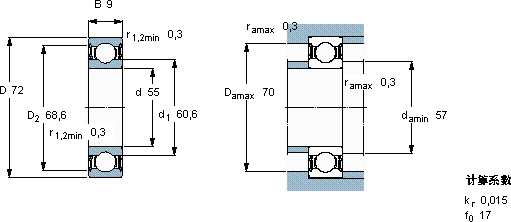
d D B C C0 Pu
mm kN kN r/min kg -
557299,048,80,375-53000,08361811-2RS1

SKF61811-2RS1深沟球轴承供应商

八零动力专业销售61811-2RS1深沟球轴承,库存SKF61811-2RS1大量现货,与SKF合作,咨询热线:022-58519723业务咨询
SKF61811-2RS1每一次旋转,都是品质的见证,制造工艺精湛,使得这款轴承的精度、稳定性和耐用性都非常出色高品质的轴承,在各种复杂工况下都能展现出卓越的性能表现高精度的轴承,为设备的稳定运行提供了坚实保障它的可回收性,减少了废弃物处理成本 它的轻量化设计,减少了运输成本 ,八零动力SKF深沟球轴承品种全,价格优,质量有保证!

用户关注最多的SKF轴承型号

SKF241/800ECA/W33 SKF31330XJ2/DF SKFCR16945 SKFCR38x58x8CRW1R SKFCR72X90X10HMS5V SKFCR8X18X5HMS5V SKFM86649/2/610/2/QVQ506 SKFMS3084 SKFNU2224ECML* SKFNU311ECP* SKFOKC700 SKFPCM242720E SKFPF1.FM SKFQJ230N2MA* SKFWS81284

61811-2RS1深沟球轴承近似的SKF轴承型号

SKF61811-2RS SKF61811-2RS1 SKF61811-RZ SKF61811-RS SKF61811-2RZ SKF61811 SKF61811-2RS SKF61811-2RZ

用户关注最多的轴承狗热门型号

FAG  SNV150-L + 1314-M + DHV214 SKF  NA4912 TIMKEN  82576/82951CD+X1S-82576 NACHI  6812Z NACHI  30324D NSK  NU1011 国产  CC3105840-2Z FYH  UCFU315 NSK  320TMP12 LYC  132.50.4500.03K5 FAG  SNV052-L + 1205-K-TVH-C3 + H205 + DH505 NACHI  5304NR FAG  SNV052-L + 22205-E1-K + H305 + FSV505 SKF  214-ZNR STEYR  NU213E

版权所有©2009-2015 轴承狗zcgou.com ICP备案:津ICP备14004550号-13