SKF60/630N1MBS轴承详细参数

发布时间:2026-04-14
深沟球轴承, 单列, 于外圈的一个带定位槽
主要数据尺寸 基本负荷额定值 疲劳负荷限值 额定速度 体积 型号
动态 静态 参照速度 限制速度
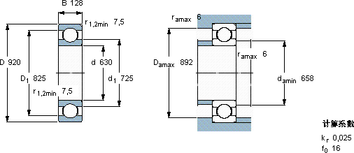
d D B C C0 Pu
mm kN kN r/min kg -
6309201288191760271200100028560/630 N1MBS

SKF60/630N1MBS深沟球轴承供应商

八零动力专业销售60/630N1MBS深沟球轴承,库存SKF60/630N1MBS大量现货,与SKF合作,咨询热线:022-58519723业务咨询
SKF60/630N1MBS它的可靠性,赢得了无数工程师的信任 它的精密性,让它在高精度设备中无可替代 它的故障率极低,确保了设备的稳定运行 匠心制造轴承的选材优质,确保了其在各种环境下都能稳定工作稳定旋转的核心力量,八零动力SKF深沟球轴承品种全,价格优,质量有保证!

用户关注最多的SKF轴承型号

SKF23248CCK/W33+H2348 SKF32926 SKF51204V/HR11Q1 SKF608/630MA SKF7313BECCM* SKF812/560 SKFCR30x56x8CRW1R SKFCR50172 SKFCR65X100X10HMS5RG SKFCR99347 SKFNUP305ECML* SKFS7017CD/P4A SKFSAF22326 SKFSAFC2534 SKFSDAF23096KAx18

60/630N1MBS深沟球轴承近似的SKF轴承型号

SKF16028 SKF6000-RZ SKFW604-2Z SKF6011N* SKF6015-2RZ* SKF6096 SKF6024N* SKFW6010 SKF60880MA SKF6011-RS SKF60/600MA SKF60/670N1MAS

用户关注最多的轴承狗热门型号

SKF  IR5x8x16 STEYR  NU421 SKF  NN49/1000K/W33X INA  KGXO24 TIMKEN  623 /612-B MRC  6410 SKF  619/800MA LYC  NU 217 M/P63 NTN  61814N STEYR  N208 LYC  FC 3854200-1/C3 LYC  2787/1409.7 NTN  24024B MRC  7011C/DT LYC  60/710

版权所有©2009-2015 轴承狗zcgou.com ICP备案:津ICP备14004550号-13