SKF607/8-Z*轴承详细参数

发布时间:2026-05-26
深沟球轴承, 单列, 单面防尘罩
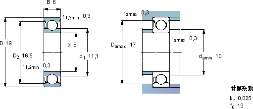
主要数据尺寸 基本负荷额定值 疲劳负荷限值 额定速度 体积 型号
动态 静态 参照速度 限制速度
d D B C C0 Pu * - SKF Explorer 轴承
mm kN kN r/min kg -
81962,340,950,0485000530000,0072607/8-Z *

SKF607/8-Z*深沟球轴承供应商

八零动力专业销售607/8-Z*深沟球轴承,库存SKF607/8-Z*大量现货,与SKF合作,咨询热线:022-58519723业务咨询
SKF607/8-Z*它在建筑机械中的应用,确保了设备的可靠性 精湛的工艺打造出的轴承,精度和稳定性都令人称赞质量上乘的轴承,是提升机械设备性能的关键因素这轴承的制造工艺精湛,展现出了极高的工业水准卓越的性能表现,使这款轴承在市场上拥有良好的口碑它的质量过硬,为机械设备的高效、安全、稳定运行 ,八零动力SKF深沟球轴承品种全,价格优,质量有保证!

用户关注最多的SKF轴承型号

SKF1308K+H308 SKF23048CCK/33+H3048 SKF2x7218BECBY SKF3313A* SKF6004-2RZ SKF61808-2RZ SKF6304-2RSH* SKF7021AC/DT SKF7304B SKFBA1B307788 SKFBCSB322213CD SKFCR45X80X10HMSA10V SKFNN3048K/SPW33 SKFPCM16016580B SKFUELFU208

607/8-Z*深沟球轴承近似的SKF轴承型号

SKF6072 SKFE2.607-2Z/C3 SKF607-RSH* SKF16072 SKF6076M SKF6076 SKF16072MA SKF6072M SKF607-Z* SKF16076MA SKF607/8-2Z* SKF607/HR11QN

用户关注最多的轴承狗热门型号

MRC  7321AC/DF SKF  BT4B332967/HA4 NTN  K10×16×12 SKF  S7007CD/P4A TIMKEN  K63X71X20 SKF  FYL1.1/2THR NACHI  62/32NKE MRC  6321 NTN  6201-2RS NACHI  NNU4921K FAG  SNV160-L + 1218-TVH + FSV218 国产  6316-ZNR NACHI  63/28ZZE IKO  AS75100 IKO  CH20VB

版权所有©2009-2015 轴承狗zcgou.com ICP备案:津ICP备14004550号-13