SKF607-Z*轴承详细参数

发布时间:2026-04-30
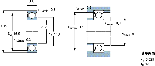
深沟球轴承, 单列, 单面防尘罩
主要数据尺寸 基本负荷额定值 疲劳负荷限值 额定速度 体积 型号
动态 静态 参照速度 限制速度
d D B C C0 Pu * - SKF Explorer 轴承
mm kN kN r/min kg -
71962,340,950,0485000530000,0075607-Z *

SKF607-Z*深沟球轴承供应商

八零动力专业销售607-Z*深沟球轴承,库存SKF607-Z*大量现货,与SKF合作,咨询热线:022-58519723业务咨询
SKF607-Z*它的抗压强度,让它承载能力惊人 优秀的设计让这款轴承在运行时更加高效节能它的滚动体分布均匀,运转平稳无振动 它在电子设备中的应用,展现了它的高精密性 它在家用电器中的应用,让生活更加便捷 它在轨道交通中的应用,确保了列车的安全运行 ,八零动力SKF深沟球轴承品种全,价格优,质量有保证!

用户关注最多的SKF轴承型号

SKF23288CA/W33* SKF24072CCK30/W33* SKF510/900M SKF623-2RS1 SKF7011ACD/P4A SKF7013CD/P4A SKF71909CE/P4A SKF71913ACE/P4A SKF7216C/DF SKFBT4B332943/HA4 SKFCR34888 SKFCR75X120X12HMS5RG SKFNNU6076M SKFPCMW386201.5E SKFSALKAC8M

607-Z*深沟球轴承近似的SKF轴承型号

SKF607/8-Z* SKF6072 SKF6072M SKF607-2Z* SKF607/8-2Z* SKF607-RSL* SKF16076MA SKF16072 SKF607-2RSH* SKF607/8-2Z SKF607-RSL* SKF60/710

用户关注最多的轴承狗热门型号

GMN  71907C/DF FAG  20224-MB NSK  6015VV NACHI  24056EW33 FAG  KUG160 TIMKEN  G1008KRRB SKF  32248J2/HA1 FAG  HCB7024-E-2RSD-T-P4S TORRINGTON FAFNIR  7207B NTN  6017-RZ NACHI  7303 SKF  CR45X52X4HM4R INA  ZKLDF260 SKF  CR47X65X10HMSA10RG KOYO  NN3096

版权所有©2009-2015 轴承狗zcgou.com ICP备案:津ICP备14004550号-13