SKF6024*轴承详细参数

发布时间:2026-03-15
深沟球轴承, 单列, 无密封件
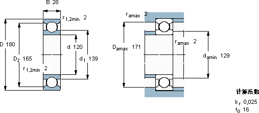
主要数据尺寸 基本负荷额定值 疲劳负荷限值 额定速度 体积 型号
动态 静态 参照速度 限制速度
d D B C C0 Pu * - SKF Explorer 轴承
mm kN kN r/min kg -
1201802888,4802,75750048002,056024 *

SKF6024*深沟球轴承供应商

八零动力专业销售6024*深沟球轴承,库存SKF6024*大量现货,与SKF合作,咨询热线:022-58519723业务咨询
SKF6024*它的材质选择,体现了对耐用性的极致追求 是您设备高效运转的可靠伙伴,它的耐磨性能,让它在恶劣环境下依然稳定运行 它的精密制造工艺,让人叹为观止 成就非凡转动体验让您的设备一顺到底,它的高可靠性,减少了设备停机时间 ,八零动力SKF深沟球轴承品种全,价格优,质量有保证!

用户关注最多的SKF轴承型号

SKF1205K+H205 SKF23224CCK/W33+H2324 SKF5412A SKF61802-2RS1 SKFAHX2328/125G SKFCR18732 SKFCR52X63X8HMSA10RG SKFFSYE3.11/16H-3 SKFNJ2230E+HJ2230E SKFNJ2334ECMA SKFNNU4126M/W33 SKFNU328E SKFSALKAC6M SKFSYH2.7/16WF SKFYHB206-100-2LS8W/VT357

6024*深沟球轴承近似的SKF轴承型号

SKF6024-RS SKF6024* SKF6024-Z* SKF6024N* SKF6024-RS1* SKF6024NR* SKF16024* SKF6024-2RS SKF6024-2Z* SKF6024-2RS1* SKF6022NR* SKF6024-2RS

用户关注最多的轴承狗热门型号

INA  K60X68X20 NACHI  6011NR NSK  32238 NACHI  15120/15250X KOYO  51317 LYC  N 206 SNR  1317 LYC  NU 2313 EM SKF  NJ2217ECML* LYC  15245 SKF  BT4B328773G/HA1 NTN  LH-22212BK KOYO  45260 FAG  SNV170-L + 1316-M + TCV316 SKF  YAR216-215-2F/AH

版权所有©2009-2015 轴承狗zcgou.com ICP备案:津ICP备14004550号-13