SKF6024-RS1*轴承详细参数

发布时间:2026-05-29
深沟球轴承, 单列, 单面密封件
主要数据尺寸 基本负荷额定值 疲劳负荷限值 额定速度 体积 型号
动态 静态 参照速度 限制速度
d D B C C0 Pu * - SKF Explorer 轴承
mm kN kN r/min kg -
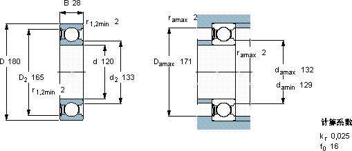
1201802888,4802,75-22002,056024-RS1 *

SKF6024-RS1*深沟球轴承供应商

八零动力专业销售6024-RS1*深沟球轴承,库存SKF6024-RS1*大量现货,与SKF合作,咨询热线:022-58519723业务咨询
SKF6024-RS1*它的可靠性,赢得了无数工程师的信任 它虽小,却是工业革命的基石 质量无可比拟的轴承,在行业内树立了良好的品质标杆它机械世界的心脏,默默支撑着无数设备的运转 它的使用寿命,远超同类产品 这轴承的设计精妙,充分考虑了各种实际应用需求,八零动力SKF深沟球轴承品种全,价格优,质量有保证!

用户关注最多的SKF轴承型号

SKF313555B SKF53412M SKF6315N* SKF6317-RS1* SKF71924ACD/HCP4A SKFCR24800 SKFCR596570 SKFCR65X100X10HMSA10V SKFK100x108x27 SKFNJ2312ECN1ML* SKFNUP238ECM* SKFOKC460 SKFPDNB316 SKFPF50FM SKFVJ-PDNB316

6024-RS1*深沟球轴承近似的SKF轴承型号

SKF6024N* SKF6024-2RS SKF6024-RS1* SKF6024-2Z/VA208 SKF6024-Z* SKF6024-2Z* SKF6024-RS SKF6024-2RS1* SKF6024NR* SKF16024* SKF6024-RS SKF6024-Z*

用户关注最多的轴承狗热门型号

NACHI  23132EX1W33K NACHI  NUP2214 LYC  3310 X3A/P5 LYC  LY-S70 LTV SKF  71872ACM/P5DB FAG  HCS71908-E-T-P4S FAG  BND3060-H-C-Y-AF-S SKF  248/800CAK30MA/W20 国产  381088X2 国产  NJ2310E TIMKEN  33217/33217 RHP  6312-2RS SKF  CR250X280X15HMS5RG IKO  BA47Z IKO  KT212610

版权所有©2009-2015 轴承狗zcgou.com ICP备案:津ICP备14004550号-13