SKF6021-RS1*轴承详细参数

发布时间:2026-04-15
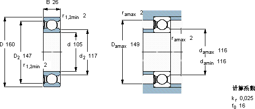
深沟球轴承, 单列, 单面密封件
主要数据尺寸 基本负荷额定值 疲劳负荷限值 额定速度 体积 型号
动态 静态 参照速度 限制速度
d D B C C0 Pu * - SKF Explorer 轴承
mm kN kN r/min kg -
1051602676,165,52,4-24001,606021-RS1 *

SKF6021-RS1*深沟球轴承供应商

八零动力专业销售6021-RS1*深沟球轴承,库存SKF6021-RS1*大量现货,与SKF合作,咨询热线:022-58519723业务咨询
SKF6021-RS1*它的质量过硬,为机械设备的高效、安全、稳定运行 它的设计巧妙,在保证性能的同时,还兼顾了安装的便捷性它的滚动体与沟槽的配合,堪称完美 它的制造工艺,堪称工业艺术的典范 它的轴向跳动控制,确保了机械的平稳运行 这款轴承的精度极高,能够满足对精度要求苛刻的设备,八零动力SKF深沟球轴承品种全,价格优,质量有保证!

用户关注最多的SKF轴承型号

SKF11590/11520/Q SKF2x7214BECBY SKF330803A SKF6004NR* SKF61916-2RS1 SKFCR11673 SKFCR1370x1420x20HDS1R SKFCR34279 SKFCR42X62X7HMS5V SKFCR7417 SKFFYT1.3/8RM SKFNNU6038V SKFPF1.3/16RM SKFSDAF22622x3.7/8 SKFSYR3.7/16

6021-RS1*深沟球轴承近似的SKF轴承型号

SKF6021-2RS1* SKF6021-RS1* SKF6021* SKF6021-Z* SKF6021-RS SKF6021N* SKF6021-2RS SKF16021* SKF6021-2Z* SKF6021NR* SKF6021-RS SKF6021-Z*

用户关注最多的轴承狗热门型号

NACHI  NUP2309E FAG  BND3126-H-C-Y-BL-S FAG  SNV150-L + 22314-E1 + FSV214 SKF  C3172KM+AOH3172G* FAG  SNV072-L + 20306-TVP + DH306 SKF  CR16048 TIMKEN  322K BARDEN  71901C/DB NSK  16044 SKF  SDAF23248KAx8.15/16 NSK  625 LYC  NU 308 M TIMKEN  KM00 SKF  SAF23038KAx6.13/16 GMN  71915C/DF

版权所有©2009-2015 轴承狗zcgou.com ICP备案:津ICP备14004550号-13