SKF16021*轴承详细参数

发布时间:2026-02-17
深沟球轴承, 单列, 无密封件
主要数据尺寸 基本负荷额定值 疲劳负荷限值 额定速度 体积 型号
动态 静态 参照速度 限制速度
d D B C C0 Pu * - SKF Explorer 轴承
mm kN kN r/min kg -
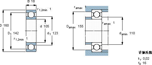
1051601854511,86850053001,2016021 *

SKF16021*深沟球轴承供应商

八零动力专业销售16021*深沟球轴承,库存SKF16021*大量现货,与SKF合作,咨询热线:022-58519723业务咨询
SKF16021*轴承的精度和稳定性都达到了行业顶尖水平制造工艺精湛,使得这款轴承的精度、稳定性和耐用性都非常出色轴承的选材优质,确保了其在各种环境下都能稳定工作这款轴承的稳定性极佳,在长时间运行中也能保持良好状态品质卓越的它,为机械设备的稳定、高效运行提供了支持您值得拥有,八零动力SKF深沟球轴承品种全,价格优,质量有保证!

用户关注最多的SKF轴承型号

SKF2316KM+H2316 SKF234415B SKF3312A-2Z/MT33* SKF61913-RS SKF7212B/DF SKFBC4B322497/HA4 SKFC2316K+AHX2316* SKFC7022DB/P7 SKFCR25X40X8HMSA10RG SKFCR300x345x22HDS1R SKFCR38X55X8HMSA10V SKFCR90773 SKFHE3126L SKFIR90x100x30 SKFQJ208MA*

16021*深沟球轴承近似的SKF轴承型号

SKF16021* SKF16020* SKF16022*

用户关注最多的轴承狗热门型号

KOYO  6308N FAG  22232-E1-K LYC  NN 3030 LYC  4048 D/C4 INA  PBS30 SNR  51232 STEYR  NJ2219 国产  7228BM SKF  NF38/630MB GMN  7024C/DT INA  SL014844 FAG  H241/630-HG NTN  NNU4960 MAC  NU1018 INA  SL045026-PP

版权所有©2009-2015 轴承狗zcgou.com ICP备案:津ICP备14004550号-13