SKF6014*轴承详细参数

发布时间:2026-05-30
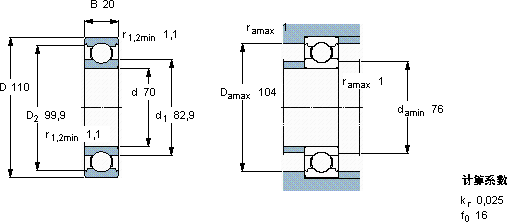
深沟球轴承, 单列, 无密封件
主要数据尺寸 基本负荷额定值 疲劳负荷限值 额定速度 体积 型号
动态 静态 参照速度 限制速度
d D B C C0 Pu * - SKF Explorer 轴承
mm kN kN r/min kg -
701102039,7311,321300080000,606014 *

SKF6014*深沟球轴承供应商

八零动力专业销售6014*深沟球轴承,库存SKF6014*大量现货,与SKF合作,咨询热线:022-58519723业务咨询
SKF6014*顺滑无声它的高效率,减少了能源消耗 这轴承的质量过硬,经得起时间和高强度工作的考验它的耐用性,赢得了无数用户的信赖 设计独特的轴承,不仅性能优越,还具有很高的性价比制造工艺精湛,使得这款轴承的精度、稳定性和耐用性都非常出色,八零动力SKF深沟球轴承品种全,价格优,质量有保证!

用户关注最多的SKF轴承型号

SKF2213E-2RS1KTN9 SKF22230CCK/W33 SKF22264CAC/W33 SKF24030CCK30/W33* SKF309-2Z SKF331640A SKF71806ACD/P4 SKF7313BEGAM* SKFAS0414 SKFBVNB328584/HA1 SKFMB14A SKFNJ317ECJ* SKFNUP228ECJ* SKFRLS9 SKFSYR1.7/16N

6014*深沟球轴承近似的SKF轴承型号

SKF6014NR* SKF6014-2RS SKF6014-2RS1* SKF360141 SKF6014-Z* SKF6014N* SKF6014* SKF16014* SKF6014-2Z* SKF6014-RS1* SKF6013NR* SKF6014-2RS

用户关注最多的轴承狗热门型号

KOYO  23948R FAG  23992-B-MB NSK  7207BWDT FAG  BND3280-Z-T-AL-S SKF  71908C FAG  23130-E1A-K-M + AHX3130G SKF  AXK2542 SKF  3318A SKF  AOH3152G NMB  RI-1438 MRC  71920C/DT 国产  6219-RS/Z2 FAG  SNV080-L + 22208-E1 + DHV208 NTN  NU230E IKO  CF6VBR

版权所有©2009-2015 轴承狗zcgou.com ICP备案:津ICP备14004550号-13