SKF6014-RS1*轴承详细参数

发布时间:2026-05-30
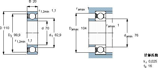
深沟球轴承, 单列, 单面密封件
主要数据尺寸 基本负荷额定值 疲劳负荷限值 额定速度 体积 型号
动态 静态 参照速度 限制速度
d D B C C0 Pu * - SKF Explorer 轴承
mm kN kN r/min kg -
701102039,7311,32-36000,606014-RS1 *

SKF6014-RS1*深沟球轴承供应商

八零动力专业销售6014-RS1*深沟球轴承,库存SKF6014-RS1*大量现货,与SKF合作,咨询热线:022-58519723业务咨询
SKF6014-RS1*轴承的稳定性和可靠性表现卓越,赢得了广泛赞誉轴承的耐用性极佳,为设备的长期稳定运行提供了保障它的密封性能,减少了润滑剂的泄漏 其设计和制造都达到了极高的水准,是一款不可多得的轴承减少摩擦降低能耗它的轴向游隙控制,精准到令人惊叹 ,八零动力SKF深沟球轴承品种全,价格优,质量有保证!

用户关注最多的SKF轴承型号

SKF21313E* SKF24136CCK30/W33+AH24136* SKF2x7338BCBM SKF30332J2 SKF307NR SKF6000-2RSL* SKF61956 SKF619/900MB SKFBC2B320118 SKFCR2150549 SKFCR85X130X12HMS5RG SKFCR99096 SKFHM231148/110 SKFSILA60TXE-2LS SKFSYE2.3/4-18

6014-RS1*深沟球轴承近似的SKF轴承型号

SKF6014-2RS1* SKF6014-RS1* SKF360141 SKF6014-2Z* SKF6014-RS SKF6014-Z* SKF6014NR* SKF16014* SKF6014N* SKF6014-2RS SKF6014-RS SKF6014-Z*

用户关注最多的轴承狗热门型号

SKF  CR1200231 NACHI  1207 LYC  352028 X2 NACHI  NNU4932K NACHI  22224EX LYC  GE70ES 国产  23064K/W33 LYC  130.40.1600.03 MRC  7207B/DT KOYO  JH307749/10 NACHI  23288EW33K SKF  PCM050710E SKF  SDAF22620x3.1/2 NTN  6702 IKO  CF20-1BUUR

版权所有©2009-2015 轴承狗zcgou.com ICP备案:津ICP备14004550号-13