SKF6006-RS1*轴承详细参数

发布时间:2026-04-14
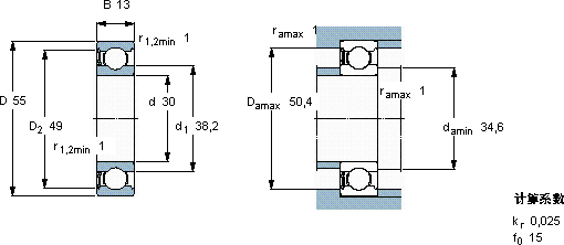
深沟球轴承, 单列, 单面密封件
主要数据尺寸 基本负荷额定值 疲劳负荷限值 额定速度 体积 型号
动态 静态 参照速度 限制速度
d D B C C0 Pu * - SKF Explorer 轴承
mm kN kN r/min kg -
30551313,88,30,355-80000,126006-RS1 *

SKF6006-RS1*深沟球轴承供应商

八零动力专业销售6006-RS1*深沟球轴承,库存SKF6006-RS1*大量现货,与SKF合作,咨询热线:022-58519723业务咨询
SKF6006-RS1*运转起来如此顺滑,这款轴承的制造工艺着实令人赞叹这款轴承的精度极高,能够满足对精度要求苛刻的设备这款轴承的运转平稳,几乎听不到任何噪音,令人惊艳为您的机械注入强大动力,性能优越的轴承,极大地提升了设备的工作性能和效率其设计和制造都达到了极高的水准,是一款不可多得的轴承,八零动力SKF深沟球轴承品种全,价格优,质量有保证!

用户关注最多的SKF轴承型号

SKF2308EM SKF314833A SKF3311A-2Z/MT33* SKF511/500F SKF7007DB/P7 SKFC2219K+AHX319* SKFCR13689 SKFCR416003 SKFCR6215 SKFNJ328ECML* SKFNUTR4090A SKFPCM040503B/VB055 SKFSDAFS22528x5 SKFSIL17ES SKFYAR205-2RF/HV

6006-RS1*深沟球轴承近似的SKF轴承型号

SKF6006-2RZ* SKF6006-RS SKFW6006-2RS1 SKF6006* SKFW6006 SKF6006-RS1* SKF6006-Z* SKF16006* SKF6006-2RS1* SKFE2.6006-2Z/C3 SKF6006-RS SKF6006-RZ*

用户关注最多的轴承狗热门型号

MRC  6002-Z INA  VLA200544-N STEYR  NJ2234 SKF  BTM70A/HCP4CDBB LYC  3811/530 X3/C3 MAC  NU1009 TIMKEN  41BIH196 MRC  NJ207 国产  22219 SKF  7204BEP LYC  51160 M/P5 INA  GIR50-DO-2RS NSK  NN3921MBKR NTN  NKI90/36 IKO  LWHS30...B

版权所有©2009-2015 轴承狗zcgou.com ICP备案:津ICP备14004550号-13