SKF53320轴承详细参数

发布时间:2026-04-26
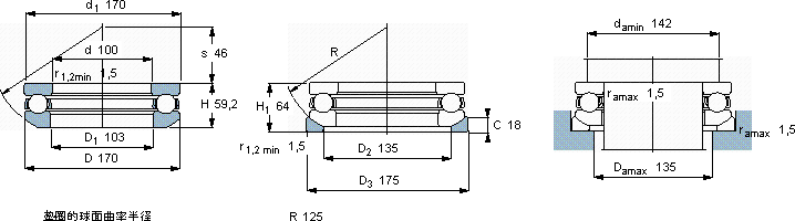
推力球轴承, 单向,带球面轴承座垫圈
主要数据尺寸 基本负荷额定值 疲劳负荷限值 最小负荷系数 额定速度 体积 型号
动态 静态 参照速度 限制速度 轴承 +垫圈 轴承 基座垫圈
d D H1 C C0 Pu A
mm kN kN - r/min kg -
1001706422961019,61,9140019005,9553320U 320

SKF53320推力球轴承供应商

八零动力专业销售53320推力球轴承,库存SKF53320大量现货,与SKF合作,咨询热线:022-58519723业务咨询
SKF53320开启顺畅运行新时代,它的精密设计,展现了人类智慧的巅峰 转动世界的精密之选,它的材质选择,体现了对耐用性的极致追求 以卓越品质零误差起步,八零动力SKF推力球轴承品种全,价格优,质量有保证!

用户关注最多的SKF轴承型号

SKF21318EK+H318* SKF2318K SKF23284CAC/W33 SKF39580/39528/Q SKF4208ATN9 SKFAOH3056 SKFBCSB322213CA SKFBT4B331664AG/HA1 SKFCR29465 SKFFY1.1/8TF SKFGE25ES-2RS SKFNJG2318VH SKFNNU6952M SKFNUP216ECP* SKFNUP219ECM*

53320推力球轴承近似的SKF轴承型号

SKF53320U SKF53320 SKF53318U SKF53320U

用户关注最多的轴承狗热门型号

SKF  YAR212-2FW/VA228 国产  NUP2310F1/YA4 TIMKEN  280RJ91 NSK  7006A5TYNP5 NTN  61901-RS TIMKEN  23224YM FAG  SNV200-L + 20319-MB + DH319 SKF  NU1013ML FAG  SNV300-L + 20328-MB + FSV328 SKF  W6207-2RS1 MAC  NJ219 NSK  NU310EW LYC  629-2RS IKO  TLA2816Z IKO  AS1226

版权所有©2009-2015 轴承狗zcgou.com ICP备案:津ICP备14004550号-13