SKF53306轴承详细参数

发布时间:2026-05-29
推力球轴承, 单向,带球面轴承座垫圈
主要数据尺寸 基本负荷额定值 疲劳负荷限值 最小负荷系数 额定速度 体积 型号
动态 静态 参照速度 限制速度 轴承 +垫圈 轴承 基座垫圈
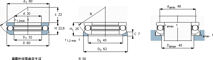
d D H1 C C0 Pu A
mm kN kN - r/min kg -
30602537,7712,650,026380053000,3353306U 306

SKF53306推力球轴承供应商

八零动力专业销售53306推力球轴承,库存SKF53306大量现货,与SKF合作,咨询热线:022-58519723业务咨询
SKF53306轴承的选材优质,确保了其在各种环境下都能稳定工作从制造工艺到实际性能,这款轴承都表现得十分出色,性能卓越的它,为机械设备的稳定运行提供了可靠保障它的抗变形能力,让它在高负载下依然保持形状 它的密封性能,完美抵御灰尘和杂质的侵袭 它的疲劳强度,确保了长期使用的可靠性 ,八零动力SKF推力球轴承品种全,价格优,质量有保证!

用户关注最多的SKF轴承型号

SKF32036 SKF32230T248J2/DB31 SKF33118/Q SKF7203BEY SKFAOHX3292G SKFCR1600519 SKFCR35X60X10HMS5V SKFCR40X65X12HMSA10RG SKFHE2330 SKFHME3188 SKFIR30x37x18 SKFL68149/111/Q SKFNU2213ECJ* SKFPFD1/2WF SKFSAF1314

53306推力球轴承近似的SKF轴承型号

SKF53306U SKF53306 SKF53228U SKF53306U

用户关注最多的轴承狗热门型号

国产  NJ2211M NTN  6011-RS FAG  6212-2Z SKF  PCM151710B RHP  NU212 SKF  T4DB160 SKF  22230CCK/W33+H3130* FAG  SNV140-L + 22313-E1-K + H2313X203 + TCV613X203 RHP  NU213 LYC  23092/W33 NTN  2215K FAG  SNV120-L + 1213-K-TVH-C3 + H213X204 + FSV513X204 LYC  2787/1400GK TIMKEN  280RT03 IKO  TR223425

版权所有©2009-2015 轴承狗zcgou.com ICP备案:津ICP备14004550号-13