
SKFNKXR17Z轴承详细参数
发布时间:2026-04-14
| | | | | | | | | | | | | | |
| 组合式滚针轴承, 滚针/圆柱滚子推力轴承 |
 |
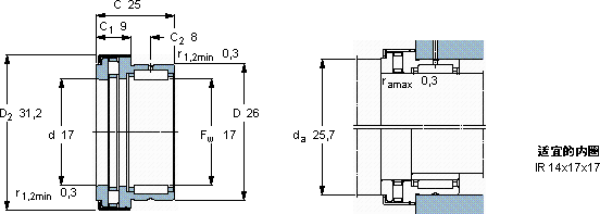
| 主要数据尺寸 | 基本负荷额定值 | 疲劳负荷限值 | 最小负荷系数 | 额定速度 | 体积 | 型号 |
| | 径向 | 轴向 | | | 参照速度 | 限制速度 |
| | 动态 | 静态 | 动态 | 静态 | 径向 | 轴向 | | | |
| Fw | D | C | C | C0 | C | C0 | Pu | Pu | A |
 |
| mm | kN | kN | - | r/min | kg | - |
 |
| 17 | 26 | 25 | 12,3 | 16,6 | 12,2 | 31,5 | 1,96 | 2,85 | 0,000079 | 4300 | 8500 | 0,053 | NKXR 17 Z |
SKFNKXR17Z组合滚针轴承供应商
- 八零动力专业销售NKXR17Z组合滚针轴承,库存SKFNKXR17Z大量现货,与SKF合作,咨询热线:022-58519723

- SKFNKXR17Z始终顺滑如初,持久转动这轴承的精度控制令人佩服,为设备的精准运行提供了保障质量上乘的轴承,为设备的高效稳定运行奠定了基础让您的设备高效运行,它在包装机械中的应用,确保了设备的高效率 ,八零动力SKF组合滚针轴承品种全,价格优,质量有保证!
用户关注最多的SKF轴承型号
SKF208NR
SKF23980CCK/W33*
SKF24024CCK30/W33*
SKF331752
SKF718/500AGMB
SKFCR20X35X6HMS5RG
SKFCR28700
SKFCR330x370x20HDS1R
SKFCR34116
SKFCR9307
SKFCR95X120X12HMS5RG
SKFOKCX530
SKFRN-4x27.8BF/G2
SKFRNA4917
SKFSDAF22536