

| 聚合物球轴承,推力球轴承, POM/POM/glass/POM | ||||||||
| 主要数据尺寸 | 负荷能力 | 额定速度 | 体积 | 型号 | ||||
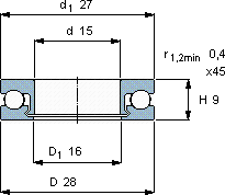
| d | D | B | 动态 1) | 静态 2) | 最大 3) | 最大 | - | |
| 1) above 50 °C and/or above 20 % | 3) Consider load carrying | |||||||
| of max speed rating consider | capability reduction according | |||||||
| 2) above 50 °C consider | ||||||||
| mm | kN | r/min | kg | - | ||||
| 15 | 28 | 9 | 0,625 | 0,5 | 500 | 0,0061 | 51102 V/HR11Q1 | |
版权所有©2009-2015 轴承狗zcgou.com ICP备案:津ICP备14004550号-13