
SKF3319DMA轴承详细参数
发布时间:2026-04-15
| | | | | | | | | | |
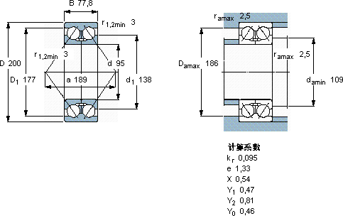
| 角接触球轴承, 双列, 无密封件, 两部份内圈 |
 |
| 主要数据尺寸 | 基本负荷额定值 | 疲劳负荷限值 | 额定速度 | 体积 | 型号 |
| | 动态 | 静态 | | 参照速度 | 限制速度 |
| d | D | B | C | C0 | Pu | |
 |
| mm | kN | kN | r/min | kg | - |
 |
| 95 | 200 | 77,8 | 242 | 275 | 9,5 | 2800 | 3000 | 12,0 | 3319 DMA |
SKF3319DMA角接触球轴承供应商
- 八零动力专业销售3319DMA角接触球轴承,库存SKF3319DMA大量现货,与SKF合作,咨询热线:022-58519723

- SKF3319DMA它的可靠性,赢得了无数工程师的信任 转动世界的精密之选,它在建筑机械中的应用,确保了设备的可靠性 给您意想不到的顺畅体验,从制造工艺到实际性能,这款轴承都表现得十分出色,高品质的轴承,在复杂工况下也能展现出卓越的性能,八零动力SKF角接触球轴承品种全,价格优,质量有保证!
用户关注最多的SKF轴承型号
SKF23126CCK/33+H3126
SKF24076CC/W33
SKF25877/2/25821/2/Q
SKF5409A
SKF7206C
SKF811/630
SKFCR1550162
SKFCR16045
SKFCR27X43X7HMS5V
SKFCR400200
SKFM155x3
SKFNU314ECM*
SKFOKBS41
SKFQJ318N2MA
SKFT2ED055/QCLN