SKF3318DMA轴承详细参数

发布时间:2026-04-30
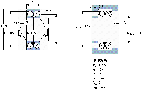
角接触球轴承, 双列, 无密封件, 两部份内圈
主要数据尺寸 基本负荷额定值 疲劳负荷限值 额定速度 体积 型号
动态 静态 参照速度 限制速度
d D B C C0 Pu
mm kN kN r/min kg -
90190732252508,83000320010,03318 DMA

SKF3318DMA角接触球轴承供应商

八零动力专业销售3318DMA角接触球轴承,库存SKF3318DMA大量现货,与SKF合作,咨询热线:022-58519723业务咨询
SKF3318DMA这轴承的选材讲究,坚固耐用,寿命远超同类产品它的耐磨性能,让它在恶劣环境下依然稳定运行 它的耐腐蚀性,减少了维护成本 它的润滑技术,减少了摩擦和磨损 先进的制造工艺,让这款轴承的性能更加稳定可靠坚固耐用,八零动力SKF角接触球轴承品种全,价格优,质量有保证!

用户关注最多的SKF轴承型号

SKFBTM85B/P4CDBB SKFCR1200258 SKFCR400084 SKFCR407254 SKFCR98x120x12CRW1V SKFCR99085 SKFGS81112 SKFH322E SKFHA2315x2.3/8 SKFNCF28/1000V SKFPCM303440B SKFPCMF353916E SKFRNAO45x62x40 SKFSYR2.3/16H-3 SKFW6209-2RS1

3318DMA角接触球轴承近似的SKF轴承型号

SKF3318 SKF3318DMA SKF3318A SKF3318DMA SKF3318DMA SKF3319

用户关注最多的轴承狗热门型号

LYC  81211/P5 INA  IR5X8X16 BARDEN  7019C/DB SKF  SNW10x1.11/16 STEYR  54322U SKF  NJ216E+HJ216E SKF  NU3168ECMA TIMKEN  KM31 SKF  6016-2RS1/W64* RHP  71932C KOYO  26FC20125 INA  S5030 SKF  53313 NTN  N2334 IKO  GS85125

版权所有©2009-2015 轴承狗zcgou.com ICP备案:津ICP备14004550号-13