

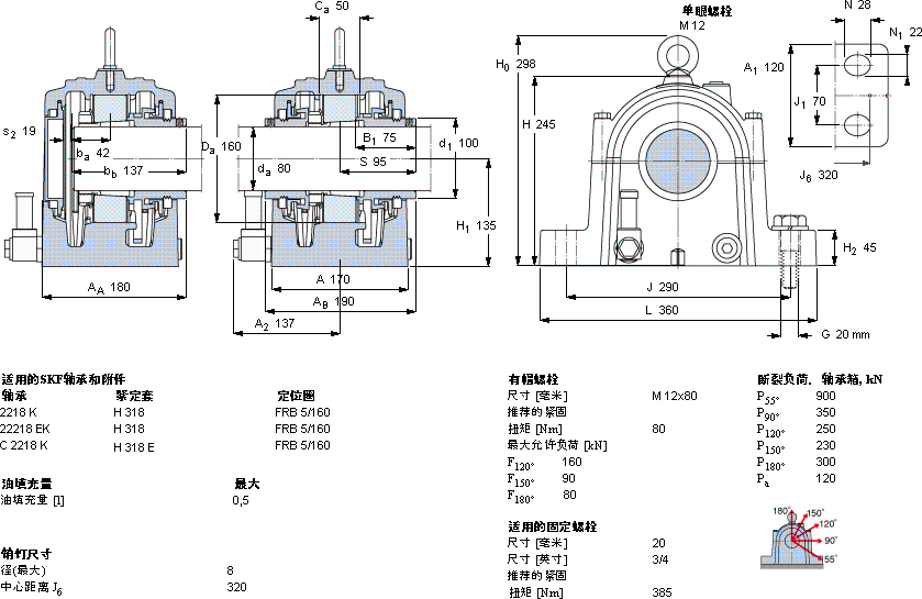
| 剖分立式轴承座, SONL, 用于紧定套安装轴承 | |||||||||||||
| 轴 | 适宜的轴承 | 轴承座 | |||||||||||
| (基本型号) | 主要数据尺寸 | 体积 | 型号 | ||||||||||
| 球面滚子 | CARB | 轴承座 | 封印工具 | 端盖 | 定位圈 | ||||||||
| da | 轴承 | 轴承 | A | L | H | H1 | (2 必需) | ||||||
| mm | mm | kg | - | ||||||||||
| 80 | 2218 K | 22218 K | C 2218 K | 170 | 360 | 245 | 135 | 33 | SONL 218-518 | TSO 518 | ECO 218-518 | FRB 5/160 | |
版权所有©2009-2015 轴承狗zcgou.com ICP备案:津ICP备14004550号-13