SKF23936CCK/W33+H3936轴承详细参数

发布时间:2026-05-30
球面滚子轴承, 带紧定套的
主要数据尺寸 基本负荷额定值 疲劳负荷限值 额定速度 体积 型号
动态 静态 参照速度 限制速度 轴承 + 紧定套
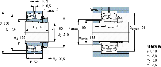
d1 D B C C0 Pu
mm kN kN r/min kg -
1602505243183076,52200280013,423936 CCK/W33 + H 3936

SKF23936CCK/W33+H3936球面滚子轴承供应商

八零动力专业销售23936CCK/W33+H3936球面滚子轴承,库存SKF23936CCK/W33+H3936大量现货,与SKF合作,咨询热线:022-58519723业务咨询
SKF23936CCK/W33+H3936它在医疗设备中的应用,确保了设备的稳定性 它的抗压强度,让它承载能力惊人 它的材质选择,体现了对品质的极致追求 它的几何精度,让机械运转分毫不差 精湛的工艺打造出的轴承,精度和稳定性都令人称赞转动精彩,八零动力SKF球面滚子轴承品种全,价格优,质量有保证!

用户关注最多的SKF轴承型号

SKF1307 SKF3306A-Z SKF6007* SKF6013N* SKF61803 SKF61910-RZ SKF71914FB/P7 SKFCR11352 SKFCR45X62X10HMSA10RG SKFCR75X100X12HMSA10V SKFFY1.5/8WF SKFFSYE2.11/16-3 SKFFY1.15/16RM SKFSAF23056KAx10.7/16 SKFUEL210

23936CCK/W33+H3936球面滚子轴承近似的SKF轴承型号

SKF23936CC/W33 SKF23936CCK/W33 SKF23936CCK/W33+H3936 SKF23936CCK/W33 SKF23936CC/W33

用户关注最多的轴承狗热门型号

SKF  NU1032 KOYO  6016NR TIMKEN  320RF30 INA  MKSD35 NTN  NU308E DKF  7324AC KOYO  HH221447/10 国产  QJF330M SKF  UEL212 INA  ZARF1560-L-TV NACHI  6222NR NSK  7224A5 TORRINGTON  23232CCK/W33+H2332 IKO  TR15018860 IKO  CRWG2-120

版权所有©2009-2015 轴承狗zcgou.com ICP备案:津ICP备14004550号-13