SKF3218A/W64*轴承详细参数

发布时间:2026-05-30
角接触球轴承, 双列, 含Solid Oil
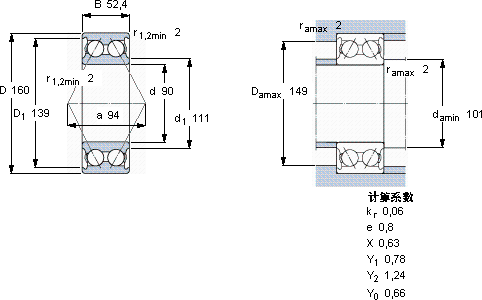
主要数据尺寸 基本负荷额定值 疲劳负荷限值 限制速度 体积 型号
动态 静态
dDBCC0Pu * - SKF Explorer 轴承
mmkNkNr/minkg-
9016052,41301204,5512004,153218 A/W64 *

SKF3218A/W64*角接触球轴承供应商

八零动力专业销售3218A/W64*角接触球轴承,库存SKF3218A/W64*大量现货,与SKF合作,咨询热线:022-58519723业务咨询
SKF3218A/W64*为您创造更多可能,它的低噪音设计,减少了对环境的噪音污染 先进的制造技术,让这款轴承的质量达到了行业领先水平它机械世界的心脏,默默支撑着无数设备的运转 它在纺织机械中的应用,确保了设备的高速运转 没有轴承,现代机械将寸步难行,,八零动力SKF角接触球轴承品种全,价格优,质量有保证!

用户关注最多的SKF轴承型号

SKF32230T248J2/DB31 SKFBNTB326247/HB1 SKFCR130X160X12HMS5RG SKFCR28116 SKFCR401505 SKFCR7628 SKFCR90017 SKFCR90070 SKFCR99108 SKFNJ19/530ECM/HB1 SKFNK16/16 SKFOKBS112 SKFPCM141610B SKFRLS9 SKFSDAF22328

3218A/W64*角接触球轴承近似的SKF轴承型号

SKF3218A SKF3218A/W64* SKF3218 SKF3218A SKF3219

用户关注最多的轴承狗热门型号

SKF  87750/87111 SKF  BT4B334051G/HA1VA901 SKF  SC7019DB/P7 MRC  7314B KOYO  47T926838 NACHI  NJ215E KOYO  NJ211E SKF  P72R-1.1/8WF INA  TME75 国产  31996X2 STEYR  53234 国产  NU226E SKF  K65x70x30 SKF  CR115x145x12CRW1R NACHI  6336

版权所有©2009-2015 轴承狗zcgou.com ICP备案:津ICP备14004550号-13